Marine Cast Steel SDNR Angle Valve JIS F7312C 5K
[Search Related Products]
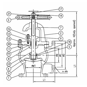
Marine Cast Steel Screw Down Check Angle Valve JIS F7312C 5K :
1.Design standard:JISF7400.
2.End standard:JISB2220.
3.End type:Flange.
4.PN:5k.
5.DN:50mm-300mm.
6.Main material:
-
Body/Bonnet:ZG230-450;
-
Seat:SS410/BC6;
-
Stem:SS410/H62;
-
Disc:SS410/BC6.
7.Application:Oil piping,water piping and steam piping.
8.Function:Such valves are used for on-off duty and preventing refluence.
9.Specification of Marine Cast Steel Screw Down Check Angle Valve JIS F7312C 5K :
| Size | L1 | Flange diam. (D) | Pitch (C) | Hole (nxd) | t | H | Weight |
| (mm) | (mm) | (mm) | (mm) | (mm) | (mm) | (mm) | (kgs) |
| 50 | 100 | 130 | 105 | 4-D15 | 16 | 240 | 12.9 |
| 65 | 115 | 155 | 130 | 4-D15 | 18 | 255 | 18.2 |
| 80 | 130 | 180 | 145 | 4-D19 | 18 | 265 | 23.3 |
| 100 | 150 | 200 | 165 | 8-D19 | 20 | 310 | 33.5 |
| 125 | 170 | 235 | 200 | 8-D19 | 20 | 330 | 46.5 |
| 150 | 190 | 265 | 230 | 8-D19 | 22 | 380 | 64.0 |
| 200 | 220 | 320 | 280 | 8-D23 | 24 | 450 | 104.0 |
| 250 | 275 | 385 | 345 | 12-D23 | 26 | 540 | 175.0 |
| 300 | 310 | 430 | 390 | 12-D23 | 28 | 610 | 243.0 |
10.Drawing of Marine Cast Steel Screw Down Check Angle Valve JIS F7312C 5K :
11.Certificate available:
Related products for "Marine Cast Steel SDNR Angle Valve JIS F7312C 5K" 434 Products found
Marine Expension Joint
High Pressure Velocity Relief Valve
ANSI Marine Valve
Bronze Swing Check Valve
Marine Bronze Femal Screw Thread Lift Check Valve CB/T310-1999
Marine Diesel Turbine Flow Meter
CBM1062-81 Marine Mud Box
Marine Cast Iron Lift Check Globe Valve JIS F7358 5K
Marine Rose Box
Cast Bronze Self-closing Valve
Diesel Turbine Flow Meter
JIS F3003 Bonnet Measurement
Marine Pressure Transmitter
Marine Quick-closing Valve
JIS F3060 Bronze Angle Storm Valve
JIS F7371 Bronze Swing Check Valve
Marine Cast Steel Screw Down Vertical Storm Valve CB/T 3477-92 Type B/BS
Galvg Rose Box
JIS F7473 Cast Steel Globe Valve (SDNR)
JIS F7472 Cast Steel Angle Valve
Bronze Globe Valve
Marine Cast Iron Bi-row Stop Valve case GB/T2499-1983
JIS F7363C Gate Valve
SC type Deck Water
JIS F7363 Gate Valve
Marine pressure Gauge Valve CB312-1977
CBM1068-81 Marine Deck Water
Cast Iron Fire Valve
Marine Bronze Gate Valve JIS F7367 5K
Cast Steel Plug Valve
Quick Closing Valve
Marine Cast Iron SDNR Angle Valve JIS F7378 16K
Bronze Sea Suction Valve
Marine Flanged Sea Water Stop Check Valve CB/T3197-1995
Cast Iron Angle Valve
Marine Cast Iron Straight Hose Valve JIS F7333 5K/10K
Bronze SDNR Valve
Marine Cast Iron SDNR Globe Valve JIS F7377 16K
Cast Steel Butterfly Valve
Marine Cast Steel Angle Valve JIS F7314 20K
Marine Float Type Level Gauge
Marine Cast Steel SDNR Angle Valve JIS F7474 20K
Marine Male screw Thread Air Signal Safety Valve CB3022-1994
Marine Cast Steel SDNR Globe Valve JIS F7473 20K
Marine Cast Steel Globe Valve JIS F7313 20K
Marine Cast Steel Gate Valve JIS F7363C/7366
Marine Cast Iron Gate Valve JIS F7363 5k
Marine Flange Orifice
Marine Bellow Expension Joint
Marine Cast Iron Angle Hose Valve JIS F7333 5K/10K
Pressure Vacuum Valve for Cargo Oil Tank
Marine Air Vent Head For Water Tank CBM1106-82
Wafer Type Butterfly Valve
Marine Swing Check Valve
Marine Cast Iron SDNR Angle Valve JIS F7376 10K
JIS F7203 Marine Mud Box
Marine Strum Box
CBT2032 Marine Fire Hydrant Valve
Marine Pressure Controller
Marine Cast Iron Angle Valve JIS F7308 10K
JIS F7234 Marine Sight Glass
Marine Cast Ductile Iron angle valve JIS F7324(C) 16k
Butterfly Valve Lug type
Stainless Steel Drive Control Head
Bronze Lift Check Valve
Marine Cast Iron SDNR Globe Valve JIS F7375 10K
Rose Box JIS F7206
Marine Cast Bronze Union Bonnet type Globe Valve JIS F7348 16k
Marine Flanged Suction Check Valve CB/T3478-1992
JIS F7471 Cast Steel Globe Valve (SDNR)
Marine Cast Bronze Lift Check Globe Valve JIS F7415 5k
JIS F7318 Cast Steel Angle Valve
Marine Cast Iron Globe Valve JIS F7307 10K
Marine Cast Bronze SDNR Angle Valve JIS F7410 16K
Cast Iron Globe Valve
Marine Bronze Globe Valve JIS F7388 20k
JIS F7301 Globe Valve
Marine Steel Scupper
JIS F7364 Gate Valve
Marine Forged Steel Globe Valve JIS F7421 20k
Bronze Fire Valve
Marine Cast Steel SDNR Globe Valve JIS F7311C 5K
CB496-74 YA serie Deck Water
Marine Bronze Plate Type Check Valve CB/T3819-1999
Globe Valve
Cast Steel Quick Closing Valve
Marine Cast Steel Globe Valve JIS F7311 5K
Marine Ductile Iron Flanged Oil tank Gate Valve CB/T3591-1994
Cast Steel Sea Suction Valve
Ball Valve
Marine Low Pressure Oil Strainer CB/T425-1994
Cast Steel SDNR Valve
Marine Cast Bronze Gate Valve CB/T467-1995
Marine Bronze Flanged Stop Valve CBM1075-81
Marine Cast Iron Gate valve GB/T465-1995
Marine Cast Steel Gate Valve CB/T466-1995
Marine Cast Steel Quick Closing Globe Valve GB/T5744-1993
Cast Iron Butterfly Valve
Marine Cast Iron Straight Globe Valve JIS F7307 10k
Marine Bronze Angle Valve JIS F7304 16K
Ductile Iron Air Vent Head
Marine Cast Bronze Straight Gobe Valve JIS F7301 5k
Marine Cast Steel Angle Storm Valve JIS F3060R 5k
Marine Tube Type Level Gauge
Marine Bronze SDNR Angle Valve JIS F7352 5K
Pressure Gauge Valve
Marine International Shore Connection
P/V Valve for Cargo Oil Tank
Cast Iron Flanged Type Butterfly Valve
Cast Steel Swing Check Valve
Marine Cast Steel Suction Sea Valve GB2029-1980
DN100A Marine Stainer
Strum Boxes
DN40 Marine Fire Valve
CBT254-1977 Ship Bottom Plug
Marine Thermometer
Bronze Quick-closing Valve
T type Marine Fluid Watching Machine
Marine Float Level Controller
DN100 Butterfly Valve
Bronze Swing Check Valve
Marine Cast Iron Gate Valve CBM1091-81
JIS F7206 Marine Strum Box
JIS F7354 Cast Iron Angle Valve (SDNR)
Marine Flanged Gate Valve 150LB
CB Marine Valve
JIS F7312 Cast Steel Angle Valve
Cast Steel Globe Valve
JIS F7303 Globe Valve
Marine Flanged Cast Steel stop valve CB/T4004-2005
JIS F7366 Gate Valve
Marine Bronze Swing Check Valve JIS F7371 5K (DN15-DN40)
SB serie Marine Scupper
Fire Valve
JIS Marine Gate Valve
Bronze Globe Valve
Self Closing Valve
Marine Cast Iron Flanged Singlerow Suction Stop Valve Case GB/T1854-1993
Hose Valve
Stainless Steel Ball Valve
Marine Bronze Male Screw Thread Check Valve GB/T597-1983
Marine Bronze Male Screwed Thread Stop Check Valve GB/T596-1983
Marine Cast Iron SDNR Angle Valve JIS F7354 5K
Marine Cast Iron Angle Valve JIS F7306 5K
Gate Valve
Marine Cast Iron SDNR Globe Valve JIS F7353 5K
Marine forged Steel Male Screw Thread Stop Valve GB/T594-1983
Marine Cast Iron Globe Valve JIS F7305 5K
Marine Pressure Resisting Type Level Gauge
JIS Marine Valve
Marine Cast Iron Flanged Stop valve GB/T590-1993
Marine Air Vent Head CB/T3594-1994 type B/BS
Marine Bronze Flanged Stop Valve GB/T587-1993
Marine Air Vent Head CB/T3594-1994 type FS
Marine Inhalant Sea Water Filter CB/T497-94 Type BL/BLS/BR/BRS
Marine Pressure Gauge Valve
International Shore Connection with CCS SOLAS
DIN Marine Valve
Lug Type Butterfly Valve
Marine Quick-closing Valaves
Basket Type Straine
Marine Cast Steel Flanged Check Valve CB/T3944-2002
Marine Air Vent Head For Oil Tank CBM1105-82
Marine Globe Valve Class150
Bronze Marine Fire Valve
Marine Expansion Scupper Plug
Marine Remote Thermometer
GBT 5744-93 Quick-closeing Valve
Marine Suction Port
Marine Bronze Globe Valve JIS F7303 16K
Magnetic Type Float Level Switch
Cast Iron Butterfly Valve
Marine Vertical Storm Valve CB/T3476-1992
Series F7371 Bronze Swing Check Valve
Marine Shipbuilding-Strum Box
Marine Forged Steel Globe Valve JIS F7336 30k
JIS F7376 Cast Iron Angle Valve (SDNR)
JIS F7308 Cast Iron Angle Valve
JIS F7302 Bronze Angle Valve
JIS F7305 Globe Valve
Marine Forged Steel Angle Valve JIS F7422 20k
Marine Shipboard Boiler Drain Valve CB/T3841-1999
JIS F7367 Gate Valve
TB serie Deck Water
Check Valve
Cast Iron Globe Valve
Marine Cast Bronze Storm Valve CB/T3475-1992
Bronze Self Closing Valve
Bronze Hose Valve
Marine Self-closing Drain Valve CB/T601-1992
Marine Cast Steel Flanged Gate Valve CBM1092-81
Cast Steel Ball Valve
Marine Bronze Flanged Check Valve CBM1077-81
Angle SDNR Valve
Marine Stainless Steel Gate Valve CB/T3955-2004
Cast Steel Gate Valve
Marine Cast Bronze Female Thread Stop Valve CB/T309-1999
Bronze Gate Valve
Marine Cast Iron Flanged Stuffing Cock GB/T593-1993
Butterfly Valve
Marine Cast Iron Angle Globe Valve JIS F7308 10k
Marine Cast Bronze Angle Globe Valve JIS F7304 16k
Marine Cast Bronze Angle Globe Valve JIS F7302 5k
Marine Cast Iron Swing Check Valve JIS F7373 10K
Marine Cast Bronze Straight Globe Valve JIS F7303 16k
Marine Cast Steel Vertical Storm Valve JIS F3060 10k
Marine Flat Type Level Gauge
Marine Level Gauge
Marine Air Vent Head
Marine Cast Iron Flanged Suction Stop Check Valve Case GB/T1855-1993
Marine Bronze SDNR Globe Valve JIS F7409 16K
Marine Bronze Hose Connection Valve CBM1109-82
Marine Bronze Low Pressure Male Screw Thread Check Valve GB1952-1980
JIS 10K Ball Valve
Marine Valves
Sounding Head
DIN Bronze Globe Valve
Quick-closing Angle Valve
Marine DIN Cast Iron Gate Valve
Bronze Angle Fire Hydrant Valve
Marine Bronze Low Pressure Male Screw Thread Stop Check Valve GB/T1953-1984
Lunticant Oil Eletric Heater
Bronze Self-Enclosed Release Valve
Marine Expansion Joint
Float Level Switch
Flange type Butterfly Valve
Cast Steel Angle Storm Valve
Cast Steel P/V Valve
CB623-80 Marine Strum Box
JIS F7378 Cast Iron Angle Valve (SDNR)
JIS F7306 Cast Iron Angle Valve
Wafer Type Butterfly Valve DIN 3202 PN10
GB Marine Valve
Marine Bronze SDNR Globe Valve JIS F7351 5K
JIS F7304 Bronze Angle Valve
Marine Cast Steel Quick closing valve GB/T5744-1993
JIS F7307 Globe Valve
Marine Liquidometer Self-closing Valve CB/T3265-1994
JIS F7368 Gate Valve
Marine Bronze Emergency Shut-Off Valve JIS F7399 5K
YC Marine Deck Water
Cast Iron Check Valve
Marine Cast Iron Screw Down Check Globe Valve JIS F7353 5K
TA serie Deck Water
Cast Steel Globe Valve
Foot Valve
Cast Iron Hose Valve
Marine Male Screw Thread Heavy Block Type Quick Closing Valve GB1850-1984
Pressure Reducing Valve
Storm Valve
Marine Cast Bronze Emergency Shut-Off Valve JIS F7399 5k/10k
SDNR Valve
Stainless Steel Gate Valve
Marine Simplex Oil Strainer JIS F7209
Cast Iron Gate ValveMarine Cast Bronze Male Screw Thread stop valve GB/T 595-1983
Stainless Steel Butterfly Valve
Marine Mud Box JIS F7203 5k/10k
Marine Dial Type Level Gauge
Marine Bronze Y strainer JIS F7220Q
Marine Cast Iron Can Water Filter JIS F7121 5K (DN100-DN400)
Marine Bronze Self-Closing Drain Valve JIS F7398
Marine Bronze Male Screw Thread Angle Safety Valve CB907-1994
Marine Cast Iron Can Water Filter JIS F7121 5K (DN25-DN100)
Marine Bronze Stop Check Valve GB/T588-1993
Marine Cast Iron Y strainer JIS F7220
Marine Air Vent Head CB/T3594-1994 type A/AS
JIS 20K Ball Valve
Sounding Pipe Head
DIN 2501 SDNR Valve
Marine Quick-closing Bronze Valve
Screw Down Non-Return Valve
Fire Hydrant Valve
Air Pressure Reducing Valve Unit
Self-Enclosed Release Valve
Marine Pressure Gauge
Wafer type Butterfly Valve
Marine Cast Ductile Iron Globe valve JIS F7323(C) 16k
Horizontal Storm Valve
Marine Rose Box CB623-80
Marine Forged Steel Globe Valve JIS F7329 40k
Cast Iron Angle Valve (SDNR)
Marine Cast Bronze Lift Check Angle Valve JIS 7416 5k
JIS F7353 Cast Iron Globe Valve (SDNR)
JIS F7347 Bronze Angle Valve
Marine Bronze Angle Valve JIS F7389 20k
Marine Bronze Air Pressure Relief Valve CB/T3656-1994
JIS F7309 Globe Valve
JIS F7369 Gate Valve
CBT3885 Marine YB type Deck Water Leakage Opening
Bronze Check Valve
SA serie Marine Deck Water
Marine Lug Type butterfly Valve JIS F7480 5k/10k
Stop Valve
Marine Wafer Type Butterfly Valve JIS F7480 5k/10k
Stainless Steel Foot Valve
Marine Cast Iron Gate valve JIS F7369 16k
Marine Bronze Agglutinate Pipe End Screw Thread Stop Valve CB575-1977
Safety Valve
Marine Bronze Sounding Self-closing Valve CB/T3778-1999
Marine Valve
Bronze Pressure Reducing Valve
Bronze Storm Valve
Marine Bronze Male Screw Thread Drain Cock GB/T599-1996
C, CS Type Cast Iron Air Vent Head
Marine Cast Iron Straight Globe Valve JIS F7309 16k
Marine Cast Iron Flanged Globe Valve CBM1087-81
Marine Cast Iron Straight Globe Valve JIS F7305 5k
Marine Cast Steel Angle Storm Valve JIS F3060R 10k
Marine Glass Type Level Gauge
Marine Cast Iron Flanged Discharging Stop Valve Case GB/T1856-1993
Niikura Cast Iron 53-ON Air Vent(Pipe) Head 5k
Marine Cast Iron Air Vent Head JIS-KS91A-121 5k (DN100-DN450)
JMarine Cast Iron Air Vent Head JIS-KS91A-121 5k (DN50-DN80)
JIS 40K Ball Valve
Marine Bronze Male Screw Thread Stuffing Cock GB598-1980
Waist Wheel Flow Meter
Cast Iron Angle SDNR Valve
Cast Bronze Quick-closing Valve
Marine Bronze Suction Sea Valve GB/T2030-1980
Cast Steel Globe Valve
Marine Swing Valve
Marine Air Reducing Valve Group
CBT601-92 Self-Enclosed Release Valve
CBM1114-82 International Shore Connection
Marine Bronze Globe Valve JIS F7301
Marine Pressure Meter
Cast Iron Quick-closing Valve
Marine Deck Surface Valve CBT4233-2013
Cast Iron Angle Storm Valve
Marine Cast Steel Down Storm Valve JIS F3060R 5K
JIS F7474 Cast Steel Angle Valve (SDNR)
Marine Angle Fire Hydrant Valve GB/T 2032-93
Marine Cast Steel Flanged Shipboard Stop Check Valve GB/T1853-1994
CBM Marine Valve
Circular Suction Screen
JIS F7375 Cast Iron Globe Valve (SDNR)
Marine Wafer Type Butterfly Valve DIN 3202 PN16
Marine Flanged Cast Steel Steam Pressure reducing valve GB/T1852-1993
JIS F7349 Bronze Angle Valve
Marine Bronze Low Pressure Male Screw Thread Stop Valve GB/T1951-1984
JIS F7311 Globe Valve
Cast Steel Gata Valve
Marine Flanged Cast Iron Stop Valve CB/T4010-2005
Marine Fitting Scupper
Non-Return Valve
JIS Marine Globe Valve
YB type Deck Water
Marine Cast Steel Down Storm Valve JIS F3060 5K
Bronze Stop Valve
Plug Valve
Marine Male Screw Thread Bronze Throttle Valve CB315-1993
Marine Cast Steel SDNR Angle Valve JIS F7472 10K
Cast Iron Safety Valve
Cast Steel Pressure Reducing Valve
Bronze Angle Valve
Marine Forged Steel Male Screw Thread Stop Check Valve GB/T1241-1983
Cast Steel Storm Valve
Marine Cast Steel Angle Valve JIS F7320 10K
Cast Iron SDNR Valve
Marine Flanged Sea water Stop Valve CB/T3196-1995
Marine Cast Steel SDNR Globe Valve JIS F7471 10K
Marine Sight Glass CB/T422-1993 Type T/TS
Aluminum Alloy Air Vent Head
Marine Cast Bronze Hose Angle Globe Valve JIS F7334B 5K/10K
Marine Cast Iron Flanged CHeck Valve GB/T 592-1993
DN200 Marine Air Vant Head
Marine Sight Glass CB/T422-1993 Type J/JS
Marine Magnetic Type Level Gauge
Marine Cast Steel Globe Valve JIS F7319 10K
Marine Mud Box
Marine Bronze Swing Check Valve JIS F7371
Marine Cast Iron Stop Check Valve GB/T591-1993
Marine Bronze Flanged Check Valve GB/T589-1993
Marine Air Vent Head CB/T3594-1994 type D/DS&E/ES
Marine Cast Bronze Gate Valve JIS F7368 10k
Marine Cast Steel Flanged Check Valve GB/T586-1999
Marine Inhalant Sea Water Filter CB/T497-94 Type A/AS
Orifice Flow Meter
Marine Cast Steel Flanged Stop Check valve GB/T585-1999
Stainless Steel Expansion JointHigh Velocity PV Valve
Cast Steel Quick-closing Angle Valve
Angle Stop Check Valve
JIS 5K 25A Marine Check Valve
Marine Valve Group
Self-closing Drain Valve
Self-closing Gate Valve for Sounding Pipe
Marine Cast Steel Globe Valve GB/T584-1999
Marine Depth Pressure Gauge
Emergency Shut-Off Valve
Marine Air Vent Head CB/T3594-1994 Type C/CS
JIS F3059 Cast Iron Vertical Storm Valve
JIS F7356 Bronze Lift Check Valve
Marine suction screen CB 623-80
Marine Cast Bronze Globe Valve JIS F7346 5k
JIS F7377 Cast Iron Globe Valve (SDNR)
JIS F7320 Cast Steel Angle Valve
Marine Forged Steel Angle Valve JIS F7330 40k
Marine Flanged Angle Safety Valve CB304-1992
JIS F7319 Globe valve
Marine Bronze Water Pressure Reducing Valve CB/T624-1995
Cast Iron Gate Valve
BronzeGate Valve
Marine Double Flanged Type Butterfly Valve JIS F7480 5k/10k
Marine Oil Tank Breather Valve CB/T692-1994
Cast Steel Stop Valve
Bronze Plug Valve
Marine Cast Bronze Foot Valve JIS F3056 5k/10k
Bronze Safety Valve
Marine Cast Steel Globe Valve JIS F7317 40k
Mrine Bronze Throttle Valve CB314-1994
Sea Suction Valve
Marine Bronze Fire Valve CBM1107-82
Cast Steel Angle Valve
Marine Cast Iron Gate Valve JIS F7364 10k
Angle Valve
Marine Bronze Angle Hose Valve JIS F7334B 5K/10K
Marine Bronze Flanged Stop Check Valve CBM1076-81
Marine Bronze Globe Hose Valve JIS F7334A 5K/10K
Marine Cast Iron Angle Globe Valve JIS F7310 16k
Marine Cast Bronze Suction Sea Valve GB/T 11692-1989
Bronze Butterfly Valve
Marine Cast Iron Angle Globe Valve JIS F7306 5k
Marine Cast Iron Flanged Stop Valve CBM1081-81
Marine Cast Steel Vertical Storm Valve JIS F3060 5k
Marine Cast Bronze Globe Hose Valve JIS F7334A 5k/10k
Marine Strainer
Marine Cast Bronze Gate Valve JIS F7367 5k
Marine Cast Steel Angle Valve JIS F7312 5K
Marine Cast Iron Swing Check Valve JIS F7372 5K
Marine Bronze Flanged Gate Valve CBM1090-81
Marine Cast Iron Lift Check Angle Valve JIS F7359 5K
Adjustable Orifice Flow Meter


