Marine Cast Iron SDNR Globe Valve JIS F7353 5K
[Search Related Products]
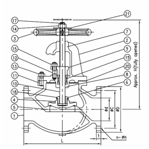
Marine Cast Iron Screw Down Check Globe Valve JIS F7353 5K:
1.Test standard:JISF7400.
2.End standard:JISB2220.
3.End type:Flange.
4.PN:5k.
5.DN:50mm-400mm.
6.Main material::
-
Body/Bonnet:HT200;
-
Seat:SS410/BC6;
-
Stem:SS410/H62;
-
Disc:SS410/BC6.
7.Application:Oil piping,water piping and steam piping.
8.Function:Such valves are used for on-off duty and regulating the flow rate.
9.Specification of Marine Cast Iron Screw Down Check Globe Valve JIS F7353 5K:
| Code | Size | L | Flange diam. (D) | Pitch (C) | Hole (nxd) | t | H | Weight |
| (mm) | (mm) | (mm) | (mm) | (mm) | (mm) | (mm) | (kgs) | |
| 751101 | 50 | 210 | 130 | 105 | 4x¦µ15 | 16 | 270 | 14.80 |
| 751102 | 65 | 250 | 155 | 130 | 4x¦µ15 | 18 | 300 | 21.30 |
| 751103 | 80 | 280 | 180 | 145 | 4x¦µ19 | 18 | 310 | 27.60 |
| 751104 | 100 | 340 | 200 | 165 | 8x¦µ19 | 20 | 360 | 40.40 |
| 751105 | 125 | 410 | 235 | 200 | 8¦Ó¦µ19 | 20 | 390 | 57.90 |
| 751106 | 150 | 480 | 265 | 230 | 8x¦µ19 | 22 | 445 | 80.90 |
| 751107 | 200 | 570 | 320 | 280 | 8x¦µ23 | 24 | 530 | 139.00 |
| 751108 | 250 | 740 | 385 | 345 | 12x¦µ23 | 26 | 650 | 243.00 |
| 751109 | 300 | 840 | 430 | 390 | 12x¦µ23 | 28 | 740 | 377.00 |
| 751110 | 350 | 840 | 480 | 435 | 12x¦µ25 | 30 | 840 | 463.00 |
| 751111 | 400 | 1050 | 540 | 495 | 16x¦µ25 | 30 | 940 | 643.00 |
10.Drawing of Marine Cast Iron Screw Down Check Globe Valve JIS F7353 5K:
11.Certificate available:





















































































































