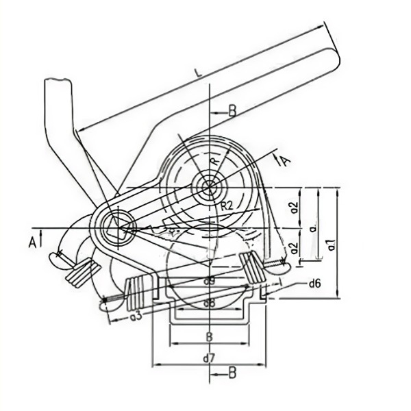
Self-closing Gate Valve for Sounding Pipe
[Search Related Products]
Self-closing Gate Valve for Sounding Pipe
Type: Ship
Alias: gate type sounding self closing valve
Alias: DN40-80
Nominal pressure: 0.15Mpa
Material: Bronze
Supply mode: processing and customization
Model: CMB1065-82 marine gate type sounding self closing valve
Drawing:

















