Marine Cast Iron SDNR Angle Valve JIS F7376 10K
[Search Related Products]
Marine Cast Iron Screw Down Angle Valve JIS F7376 10K :
1.Test standard:JISF7400.
2.End standard:JISB2220.
3.End type:Flange.
4.PN:10k.
5.DN:50mm-400mm.
6.Main material:
-
Body/Bonnet:HT200;
-
Seat:SS410/BC6;
-
Stem:SS410/H62;
-
Disc:SS410/BC6.
7.Application:Oil piping,water piping and steam piping.
8.Function:Such valves are ued for on-off duty and regulating the flow rate.
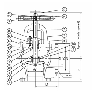
9.Specification of Marine Cast Iron Screw Down Angle Valve JIS F7376 10K :
| Code | Size | L1 | Flange diam. (D) | Pitch (C) | Hole (nxd) | t | H | Weight |
| (mm) | (mm) | (mm) | (mm) | (mm) | (mm) | (mm) | (kgs) | |
| 751131 | 50 | 120 | 155 | 120 | 4-D19 | 20 | 255 | 18.20 |
| 751132 | 65 | 130 | 175 | 140 | 4-D19 | 22 | 270 | 25.30 |
| 751133 | 80 | 140 | 185 | 150 | 8-D19 | 22 | 275 | 27.50 |
| 751134 | 100 | 160 | 210 | 175 | 8-D19 | 24 | 315 | 40.60 |
| 751135 | 125 | 180 | 250 | 210 | 8-D23 | 24 | 360 | 69.80 |
| 751136 | 150 | 205 | 280 | 240 | 8-D23 | 26 | 405 | 81.20 |
| 751137 | 200 | 230 | 330 | 290 | 12-D23 | 26 | 475 | 124.00 |
| 751138 | 250 | 290 | 400 | 322 | 12-D25 | 30 | 570 | 211.00 |
| 751139 | 300 | 320 | 445 | 400 | 16-D25 | 32 | 645 | 293.00 |
| 751140 | 350 | 360 | 490 | 445 | 16-D25 | 34 | 710 | 386.00 |
| 751141 | 400 | 420 | 560 | 510 | 16-D27 | 36 | 790 | 544.00 |
10.Drawing of Marine Cast Iron Screw Down Angle Valve JIS F7376 10K :
11.Marine Cast Iron Screw Down Angle Valve JIS F7376 10K factory:





















































































































