Marine Rose Box
[Search Related Products]
Marine Rose Box
1. Standard: JIS F7206
2. Application: Marine
3. Material: Steel with hot dip galvanizing
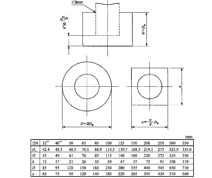
4. Drawing of Marine Rose Box JIS F7206:

5. Picture of Marine Rose Box:




Marine Rose Box
1. Standard: JIS F7206
2. Application: Marine
3. Material: Steel with hot dip galvanizing
4. Drawing of Marine Rose Box JIS F7206:

5. Picture of Marine Rose Box:
