Bronze Storm Valve
[Search Related Products]
Introduction:
A side valve that is used to discharge sewage or waste water and can automatically close and prevent the backflow of outboard water.
Installed at the side sewage or waste water outlet, used to discharge sewage or waste water outboard, and can automatically close and prevent the intrusion of wind and waves. Also called drain valve.
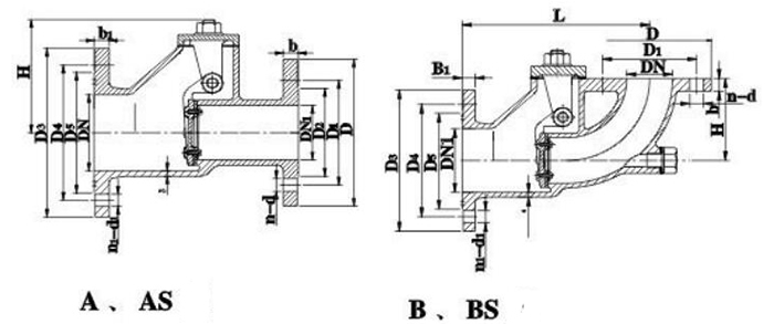
Outline Drawing:
Parameters:
Our Certifications:















































