Marine Bronze Globe Hose Valve JIS F7334A 5K/10K
[Search Related Products]
1. Marine Bronze Globe Hose Valve JIS F7334 5K/10K (DN40-DN65) , 5K, 10K available.
2. Manufactured according to JISF7400 standards. The valve material can be chosen by customers.
3. Capability:
| Nominal Pressure(Mpa) | Test Pressure(Mpa) | ||
| Seal pressure | Intensity pressure | Water pressure test | |
| 0.49 | 0.75 | 1.03 | 0.69 |
| 0.98 | 1.5 | 2.06 | 1.37 |
4. Materials of major parts:
| Part name | Material | |
| Name | Mark | |
| Body.Bonnet | Tin-bronze | ZQSn10-21 |
| Disc.Seat | Albronze | QAL9-21 |
| Packing | PTFE | SFT-2 |
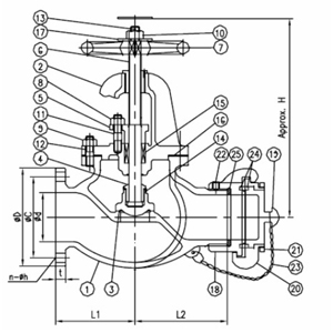
5. Main data for joining(mm):
| Code | Size | L2 | L1 | Flange diam. (D) | Pitch (C) | Hole (nxd) | t | H1 | Weight |
| (mm) | (mm) | (mm) | (mm) | (mm) | (mm) | (mm) | (mm) | (kgs) | |
| 751711 | 5K40 | 80 | 80 | 120 | 95 | 4XD15 | 12 | 190 | 6.26 |
| 751712 | 10K40 | 85 | 90 | 140 | 105 | 4XD19 | 16 | 190 | 8.43 |
| 751716 | 5K50 | 105 | 105 | 130 | 105 | 4XD15 | 14 | 225 | 12.90 |
| 751717 | 10K50 | 110 | 110 | 155 | 120 | 4XD19 | 16 | 270 | 15.40 |
| 751718 | 10K65 | 140 | 135 | 175 | 140 | 4XD19 | 18 | 295 | 27.80 |





















































































































