Marine Cast Bronze Gate Valve JIS F7368 10k
[Search Related Products]
Marine Cast Bronze Rising Stem Type Gate Valve JIS F7368 10K :
1.Test standard:JISF7400.
2.End standard:JISB2220.
3.End type:Flange.
4.PN:10k.
5.DN:15mm-40mm.
6.Main material:
-
Body/Bonnet:BC6;
-
Seat:BC6;
-
Stem:H62;
-
Disc:BC6.
7.Application:Oil piping and water piping.
8.Function:Such valves are used for on-off duty.
9.Specification of Marine Cast Bronze Rising Stem Type Gate Valve JIS F7368 10K :
| Code | Size | Face to Face (L) | Flange diam. (D) | Pitch (C) | Hole (nxd) | Weight |
| (mm) | (mm) | (mm) | (mm) | (mm) | (kgs) | |
| 750961 | 15 | 100 | 95 | 70 | 4X¦µ12 | 2.96 |
| 750962 | 20 | 110 | 100 | 75 | 4X¦µ12 | 3.89 |
| 750963 | 25 | 120 | 125 | 90 | 4X¦µ19 | 5.82 |
| 750964 | 32 | 140 | 135 | 100 | 4X¦µ19 | 7.52 |
| 750965 | 40 | 150 | 140 | 105 | 4X¦µ19 | 9.71 |
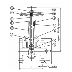
10.Drawing of Marine Cast Bronze Rising Stem Type Gate Valve JIS F7368 10K :
11.Certificate available:





















































































































