Marine Lug Type butterfly Valve JIS F7480 5k/10k
[Search Related Products]
Marine Lug Type butterfly Valve JIS F7480 5k/10k:
1.Test standard:JISF7400.
2.End standard:JISB2220.
3.End type:Lug.
4.PN:5k/10k.
5.DN:50mm-400mm.
6.Main material:
- Body/Bonnet:Ductile Iron/Cast Iron;
- Seat:NBR;
- Stem:SUS403;
- Disc:SUS304/BC6.
7.Application:Oil piping,steam piping and water piping.
8.Test pressure:
|
PN |
5k |
10k |
|
Body/Mpa |
1.03 |
2.06 |
|
Seat/Mpa |
0.76 |
1.47 |
9.Specification of Marine Lug Type butterfly Valve JIS F7480 5k/10k:
Marine Lug Type butterfly Valve JIS F7480 5k(handle&worm)
|
DN/mm |
D/mm |
D1/mm |
L/mm |
n-Th/mm |
Weight/kg |
|
50 |
94 |
105 |
43 |
4-M12 |
4.1 |
|
65 |
108 |
130 |
46 |
4-M12 |
5.5 |
|
80 |
126 |
145 |
46 |
4-M16 |
6.8 |
|
100 |
152 |
165 |
52 |
8-M16 |
8.6 |
|
125 |
182 |
200 |
56 |
8-M16 |
10.5 |
|
150 |
210 |
230 |
56 |
8-M20 |
12.5 |
|
200 |
263 |
280 |
60 |
8-M20 |
21.4 |
|
250 |
327 |
345 |
68 |
12-M20 |
29.3 |
|
300 |
370 |
390 |
78 |
12-M20 |
44 |
|
350 |
414 |
435 |
78 |
12-M22 |
62.2 |
|
400 |
474 |
495 |
102 |
16-M22 |
80 |
Marine Lug Type butterfly Valve JIS F7480 10k(handle&worm)
|
DN/mm |
D/mm |
D1/mm |
L/mm |
n-Th/mm |
Weight/kg |
|
50 |
94 |
120 |
43 |
4-M16 |
4.1 |
|
65 |
108 |
140 |
46 |
4-M16 |
5.5 |
|
80 |
126 |
150 |
46 |
8-M16 |
6.8 |
|
100 |
152 |
175 |
52 |
8-M16 |
8.6 |
|
125 |
182 |
210 |
56 |
8-M16 |
10.5 |
|
150 |
210 |
240 |
56 |
8-M20 |
12.5 |
|
200 |
263 |
290 |
60 |
12-M20 |
21.4 |
|
250 |
327 |
355 |
68 |
12-M22 |
29.3 |
|
300 |
370 |
400 |
78 |
16-M22 |
44 |
|
350 |
414 |
445 |
78 |
16-M22 |
62.2 |
|
400 |
474 |
510 |
102 |
16-M24 |
80 |
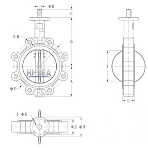
10.Drawing of Marine Lug Type butterfly Valve JIS F7480 5k/10k:
11.Certificate available:





















































































































