Marine Cast Steel Globe Valve JIS F7319 10K
[Search Related Products]
Marine Cast Steel Globe Valve JIS F7319 10K :
1.Test standard:JISF7400.
2.End standard:JISB2220.
3.End type:Flange.
4.PN:10k.
5.DN:50mm-300mm.
6.Main material:
-
Body/Bonnet:SC-ZG230-450;
-
Seat:SS410/BC6;
-
Stem:SS410/H62;
-
Disc:SS410/BC6.
7.Application:Oil piping,water piping and steam piping.
8.Function:Such valves are used for on-off duty and regulating the flow rate.
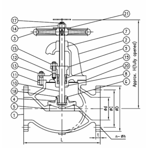
9.Specification of Marine Cast Steel Globe Valve JIS F7319 10K :
| Size | L | Flange diam. (D) | Pitch (C) | Hole (nxd) | t | H | Weight |
| (mm) | (mm) | (mm) | (mm) | (mm) | (mm) | (mm) | (kgs) |
| 50 | 220 | 155 | 120 | 4-19 | 16 | 270 | 17.9 |
| 65 | 270 | 175 | 140 | 4-19 | 18 | 300 | 26.0 |
| 80 | 300 | 185 | 150 | 8-19 | 18 | 310 | 29.8 |
| 100 | 350 | 210 | 175 | 8-19 | 18 | 355 | 44.7 |
| 125 | 420 | 250 | 210 | 8-23 | 20 | 415 | 70.3 |
| 150 | 490 | 280 | 240 | 8-23 | 22 | 470 | 96.4 |
| 200 | 570 | 330 | 290 | 12-23 | 22 | 565 | 159.0 |
| 250 | 740 | 400 | 355 | 12-25 | 24 | 645 | 257.0 |
| 300 | 840 | 445 | 400 | 16-25 | 24 | 735 | 370.0 |
10.Drawing of Marine Cast Steel Globe Valve JIS F7319 10K :
11.Marine Cast Steel Globe Valve JIS F7319 10K :





















































































































