Marine Cast Iron SDNR Globe Valve JIS F7375 10K
[Search Related Products]
Marine Cast Iron Screw Down Check Globe Valve JIS F7375 10K :
1.Test standard:JISF7400.
2.End standard:JISB2220.
3.End type:Flange.
4.PM:10k.
5.DN:50mm-300mm.
6.Main material:
-
Body/Bonnet:HT200;
-
Seat:SS410/BC6;
-
Stem:SS410/H62;
-
Disc:SS410/BC6.
7.Application:Oil piping,water piping and steam piping.
8.Function:Such valves are used for on-off duty and regulating the flow rate.
9.Specification of Marine Cast Iron Screw Down Check Globe Valve JIS F7375 10K :
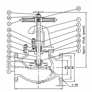
| Code | Size | L | Flange diam. (D) | Pitch (C) | Hole (nxd) | t | H | Weight |
| (mm) | (mm) | (mm) | (mm) | (mm) | (mm) | (mm) | (kgs) | |
| 751131 | 50 | 220 | 155 | 120 | 4-D19 | 16 | 270 | 19.90 |
| 751132 | 65 | 270 | 175 | 140 | 4-D19 | 18 | 300 | 28.60 |
| 751133 | 80 | 300 | 185 | 150 | 8-D19 | 18 | 310 | 32.50 |
| 751134 | 100 | 350 | 210 | 175 | 8-D19 | 20 | 360 | 48.70 |
| 751135 | 125 | 420 | 250 | 210 | 8-D23 | 20 | 390 | 73.00 |
| 751136 | 150 | 490 | 280 | 240 | 8-D23 | 22 | 445 | 104.00 |
| 751137 | 200 | 570 | 330 | 290 | 12-D23 | 24 | 530 | 161.00 |
| 751138 | 250 | 740 | 400 | 355 | 12-D25 | 26 | 650 | 304.00 |
| 751139 | 300 | 840 | 445 | 400 | 16-D25 | 28 | 740 | 458.00 |
10.Drawing of Marine Cast Iron Screw Down Check Globe Valve JIS F7375 10K :
11.Certificate available:





















































































































