Marine Cast Steel Angle Valve JIS F7314 20K
[Search Related Products]
Marine Cast Steel Angle Valve JIS F7314 20K :
1.Test standard:JISF7400.
2.End standard:JISB2220.
3.End type:Flange.
4.PN:20k.
5.DN:32mm-250mm.
6.Main material:
-
Body/Bonnet:ZG230-450;
-
Seat:SS410/BC6;
-
Stem:SS410/H62;
-
Disc:SS410/BC6.
7.Application:Oil piping,water piping,gas piping and steam piping.
8.Function:Such valves are used for on-off duty and regulating the flow rate.
9.Specification of Marine Cast Steel Angle Valve JIS F7314 20K :
| Size | L1 | Flange diam. (D) | Pitch (C) | Hole (nxd) | t | H | Weight |
| (mm) | (mm) | (mm) | (mm) | (mm) | (mm) | (mm) | (kgs) |
| 32 | 100 | 135 | 100 | 4-19 | 18 | 270 | 13.0 |
| 40 | 1110 | 140 | 105 | 4-19 | 18 | 290 | 15.2 |
| 50 | 125 | 155 | 120 | 8-19 | 18 | 305 | 20.0 |
| 65 | 135 | 175 | 140 | 8-19 | 20 | 345 | 26.9 |
| 80 | 150 | 200 | 160 | 8-23 | 22 | 385 | 38.9 |
| 100 | 170 | 225 | 185 | 8-23 | 24 | 440 | 54.4 |
| 125 | 200 | 270 | 225 | 8-25 | 26 | 500 | 80.7 |
| 150 | 225 | 305 | 260 | 12-25 | 28 | 550 | 112.3 |
| 200 | 280 | 350 | 305 | 12-25 | 30 | 630 | 183.0 |
| 250 | 310 | 430 | 380 | 12-27 | 34 | 725 | 285.9 |
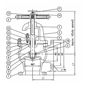
10.Drawing of Marine Cast Steel Angle Valve JIS F7314 20K :
11.Marine Cast Steel Angle Valve JIS F7314 20K factory:





















































































































