Marine Vertical Storm Valve CB/T3476-1992
[Search Related Products]
Marine Vertical Storm Valve CB/T3476-1992:
1.Design standard:CB/T3476-1992.
2.End standard:GB/T2501&GB/T569.
3.End type:Flange.
4.PN:0.1Mpa.
5.DN:50mm-150mm.
6.Main material:
- Body/Bonnet:ZG230-450/BC6;
- Seat:BC6;
- Disc:BC6.
7.Application:Sea water piping,fresh water piping and sewage piping.
8.Function:Such valves are used for on-off duty and preventing refluence.
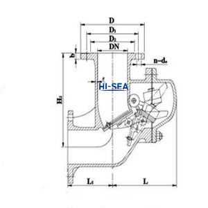
9.Fundamental dimensions of Marine Vertical Storm Valve CB/T3476-1992:
Chart 1 Fundamental dimensions of type A&B:
|
DN |
Structure dimension |
Thickness |
Flange connection dimension |
Bolt |
Weight /kg |
||||||||||||
|
¦Ä/mm |
Cast steel |
Bronze |
|||||||||||||||
|
mm |
H/mm |
H1/mm |
L/mm |
L1/mm |
Cast steel |
Bronze |
D/mm |
D1/mm |
D2/mm |
b/mm |
d0/mm |
n |
Th. |
A |
B |
A |
B |
|
50 |
210 |
170 |
135 |
90 |
7.5 |
5 |
135 |
103 |
84 |
13 |
15 |
6 |
M14 |
9.5 |
11.5 |
8.5 |
9 |
|
65 |
240 |
200 |
142 |
110 |
8.0 |
6 |
155 |
123 |
104 |
14 |
14.5 |
16.5 |
13.0 |
14 |
|||
|
80 |
260 |
220 |
155 |
120 |
8.5 |
6 |
170 |
138 |
118 |
8 |
19.0 |
21.0 |
17.0 |
20 |
|||
|
100 |
280 |
250 |
172 |
130 |
9.0 |
6 |
190 |
158 |
138 |
28.0 |
32.0 |
25.0 |
28 |
||||
|
125 |
330 |
270 |
195 |
150 |
10.0 |
7 |
215 |
183 |
164 |
10 |
42.0 |
45.0 |
38.0 |
41 |
|||
|
150 |
360 |
310 |
213 |
165 |
11.0 |
7 |
240 |
208 |
194 |
12 |
50.0 |
54.0 |
48.0 |
50 |
|||
Chart 2 Fundamental dimensions of type AS&BS:
|
DN |
Structure dimension |
Thickness |
Flange connection dimension |
Bolt |
Weight/kg |
||||||||||||
|
¦Ä |
Cast steel |
Bronze |
|||||||||||||||
|
mm |
H/mm |
H1/mm |
L/mm |
L1/mm |
AS |
BS |
D/mm |
D1/mm |
D2/mm |
b/mm |
d0/mm |
n |
Th. |
AS |
BS |
AS |
BS |
|
50 |
210 |
170 |
135 |
90 |
7.5 |
5 |
140 |
110 |
90 |
16 |
14 |
4 |
M12 |
10 |
12 |
7 |
9 |
|
65 |
240 |
200 |
142 |
110 |
8.0 |
6 |
160 |
130 |
110 |
15 |
17 |
10 |
11 |
||||
|
80 |
260 |
220 |
155 |
120 |
8.5 |
190 |
150 |
128 |
18 |
18 |
M16 |
20 |
22 |
14 |
17 |
||
|
100 |
280 |
250 |
172 |
130 |
9.0 |
210 |
170 |
148 |
29 |
33 |
21 |
24 |
|||||
|
125 |
330 |
270 |
195 |
150 |
10.0 |
7 |
240 |
200 |
178 |
20 |
8 |
44 |
47 |
31 |
35 |
||
|
150 |
360 |
310 |
213 |
165 |
11.0 |
265 |
225 |
202 |
52 |
56 |
48 |
52 |
|||||
10.Drawing of Marine Vertical Storm Valve CB/T3476-1992:
Type A/AS:
Type B/BS:
11.Certificate available:















































