Marine Cast Iron Swing Check Valve JIS F7373 10K
[Search Related Products]
Marine Cast Iron Swing Check Valve JIS F7373 10K :
1.Test standard:JISF7400.
2.End standard:JISB2220.
3.End type:Flange.
4.PN:10k.
5.DN:50mm-200mm.
6.Main material:
-
Body/Bonnet:HT200;
-
Seat:BC6;
-
Disc:BC6.
7.Application:Oil piping and water piping.
8.Function:Such valves are used for preventing refluence.
9.Specification of Marine Cast Iron Swing Check Valve JIS F7373 10K :
| Size | L | Flange diam. (D) | Pitch (C) | Hole (nxd) | t | Weight |
| (mm) | (mm) | (mm) | (mm) | (mm) | (mm) | (kgs) |
| 50 | 210 | 155 | 120 | 4-19 | 20 | 13.6 |
| 65 | 240 | 175 | 140 | 4-19 | 22 | 19.6 |
| 80 | 270 | 185 | 150 | 8-19 | 22 | 22.6 |
| 100 | 300 | 210 | 175 | 8-19 | 24 | 30.9 |
| 125 | 350 | 250 | 210 | 8-23 | 24 | 49.2 |
| 150 | 400 | 280 | 240 | 8-23 | 26 | 64.9 |
| 200 | 480 | 330 | 290 | 12-23 | 26 | 103.0 |
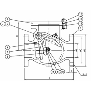
10.Drawing of Marine Cast Iron Swing Check Valve JIS F7373 10K :
11.Marine Cast Iron Swing Check Valve JIS F7373 10K factory:





















































































































