Marine Bronze Angle Valve JIS F7389 20k
[Search Related Products]
Marine Bronze Angle Valve JIS F7389 20k:
1.Test standard:JISF7400.
2.End standard:JISB2220.
3.End type:Screw thread.
4.PN:20k.
5.DN:6mm and 10mm.
6.Main material:
- Body:BC6;
- Stem:SUS403;
- Disc:SUS403.
7.Application:Oil piping,Water piping and gas piping.
8.Function:Such valves are used for on-off duty and regulating the flow rate.
9.Specification of Marine Bronze Angle Valve JIS F7389 20k:
|
DN/mm |
Pipe out diam. /D(mm) |
L1/mm |
L2/mm |
L3/mm |
Thread/mm |
Weight/kg |
|
|
Copper |
Steel |
||||||
|
6 |
8/10 |
10.5 |
32 |
32 |
41 |
M20x1.5 |
0.83 |
|
10 |
15 |
17.3 |
39 |
35 |
51 |
M24x2.0 |
1.19 |
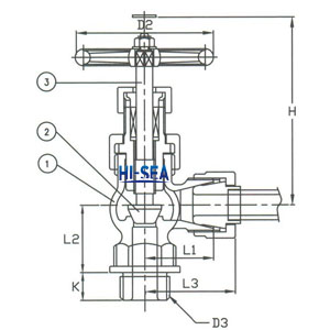
10.Drawing of Marine Bronze Angle Valve JIS F7389 20k:
11.Certificate available:





















































































































