Marine Cast Steel Angle Valve JIS F7312 5K
[Search Related Products]
Marine Cast Steel Angle Valve JIS F7312 5K :
1.Test standard:JISF7400.
2.End standard:JISB2220.
3.End type:Flange.
4.PN:5K.
5.DN:50mm-300mm.
6.Main material:
-
Body/Bonnet:ZG230-450;
-
Seat:SS410/BC6;
-
Stem:SS410/H62;
-
Disc:SS410/BC6.
7.Application:Oil piping,water piping and steam piping.
8.Function:Such valves are used for on-off duty and regulating the flow rate.
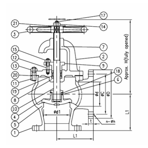
9.Specification of Marine Cast Steel Angle Valve JIS F7312 5K :
| Size | L1 | Flange diam. (D) | Pitch (C) | Hole (nxd) | t | H | Weight |
| (mm) | (mm) | (mm) | (mm) | (mm) | (mm) | (mm) | (kgs) |
| 50 | 100 | 130 | 105 | 4-D15 | 16 | 240 | 12.9 |
| 65 | 115 | 155 | 130 | 4-D15 | 18 | 255 | 18.2 |
| 80 | 130 | 180 | 145 | 4-D19 | 18 | 265 | 23.4 |
| 100 | 150 | 200 | 165 | 8-D19 | 20 | 310 | 33.7 |
| 125 | 170 | 235 | 200 | 8-D19 | 20 | 330 | 46.2 |
| 150 | 190 | 265 | 230 | 8-D19 | 22 | 380 | 63.4 |
| 200 | 220 | 320 | 280 | 8-D23 | 24 | 450 | 105.0 |
| 250 | 275 | 385 | 345 | 12-D23 | 26 | 540 | 178.0 |
| 300 | 310 | 430 | 390 | 12-D23 | 28 | 610 | 275.0 |
10.Drawing of Marine Cast Steel Angle Valve JIS F7312 5K :
11.Marine Cast Steel Angle Valve JIS F7312 5K factory:





















































































































