Bronze Safety Valve
[Search Related Products]
Introduction:
Safety valves are generally divided into spring-type safety valves, lever-type safety valves, and pulse-type safety valves according to their structural forms. Among them, spring-type safety valves are the most common; they are divided into threaded safety valves and flange safety valves according to their connection methods.
The safety valve plays a safety protection role in the system. When the system pressure exceeds the specified value, the safety valve is opened, and a part of the gas/fluid in the system is discharged into the atmosphere/pipeline, so that the system pressure does not exceed the allowable value, so as to ensure that the system does not have an accident due to excessive pressure.
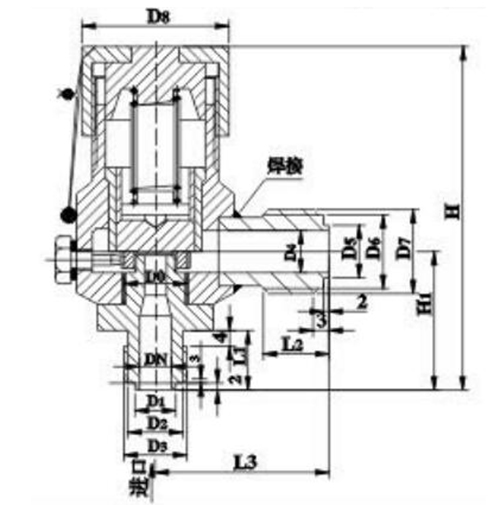
Outline Drawing:

Main Parameters:
Certifications:















































