Marine Cast Iron SDNR Globe Valve JIS F7377 16K
[Search Related Products]
Marine Cast Iron Screw Down Check Globe ValveJIS F7377 16K £º
1.Test standard:JISF7400.
2.End standard:JISB2220.
3.End type:Flange.
4.PN:16k.
5.DN:50mm-200mm.
6.Main material:
-
Body/Bonnet:HT200;
-
Seat:SS410/BC6;
-
Stem:SS410/H62;
-
Disc:SS410/BC6.
7.Application:Oil piping,water piping and steam piping.
8.Function:Such valves are used for on-off duty and regulating the flow rate.
9.Specification of Marine Cast Iron Screw Down Check Globe ValveJIS F7377 16K £º
| Size | L | Flange diam. (D) | Pitch (C) | Hole (nxd) | t | H | Weight |
| (mm) | (mm) | (mm) | (mm) | (mm) | (mm) | (mm) | (kgs) |
| 50 | 220 | 155 | 120 | 8-19 | 20 | 285 | 19.6 |
| 65 | 270 | 175 | 140 | 8-19 | 22 | 310 | 28.2 |
| 80 | 300 | 200 | 160 | 8-23 | 24 | 340 | 40.5 |
| 100 | 350 | 225 | 185 | 8-23 | 26 | 385 | 56.9 |
| 125 | 430 | 270 | 225 | 8-25 | 26 | 455 | 89.5 |
| 150 | 500 | 305 | 260 | 12-25 | 28 | 510 | 123.0 |
| 200 | 570 | 350 | 305 | 12-25 | 30 | 630 | 188.0 |
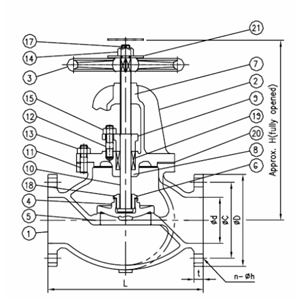
10.Drawing of Marine Cast Iron Screw Down Check Globe ValveJIS F7377 16K £º
11.Marine Cast Iron Screw Down Check Globe ValveJIS F7377 16K factory£º





















































































































