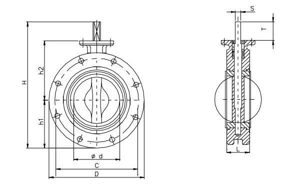
Flange type Butterfly Valve
[Search Related Products]

Materials of main parts:
Body: Cast Iron;
Disc: Aluminum;
Stem: Stainless Steel.
Available medium:
Sea water, Fresh water, Air, Crude oil and fnished oil that temperature is 70 and under.







