Marine Cast Iron Globe Valve JIS F7307 10K
[Search Related Products]

Marine Cast Iron Globe Valve JIS F7307 10K
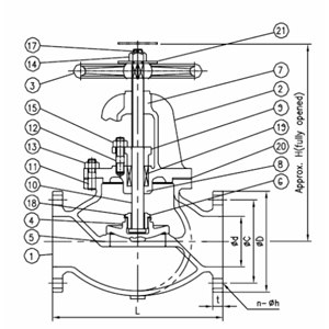
| Code | Size | L | Flange diam. (D) | Pitch (C) | Hole (nxd) | t | H | Weight |
| (mm) | (mm) | (mm) | (mm) | (mm) | (mm) | (mm) | (kgs) | |
| 750231 | 50 | 220 | 155 | 120 | 4-D19 | 16 | 270 | 19.90 |
| 750232 | 65 | 270 | 175 | 140 | 4-D19 | 18 | 300 | 28.70 |
| 750233 | 80 | 300 | 185 | 150 | 8-D19 | 18 | 310 | 32.40 |
| 750234 | 100 | 350 | 210 | 175 | 8-D19 | 20 | 360 | 48.70 |
| 750235 | 125 | 420 | 250 | 210 | 8-D23 | 20 | 390 | 73.10 |
| 750236 | 150 | 490 | 280 | 240 | 8-D23 | 22 | 445 | 104.00 |
| 750237 | 200 | 570 | 330 | 290 | 12-D23 | 24 | 530 | 162.00 |
| 750238 | 250 | 740 | 400 | 355 | 12-D25 | 26 | 650 | 304.00 |
| 750239 | 300 | 840 | 445 | 400 | 16-D25 | 28 | 740 | 458.00 |
1. Mian material:
| Parts | Material |
| Body | Cast Iron |
| Cover | |
| Disc | Cast Bronze |
| Seat Ring | |
| Yoke Bushing | |
| Stem | Brass |
2. Design standard: JISF 7307-1996
3. Test standard: JIS 7400-1996
4. Hydraulic test pressure:
Body-2.1Mpa, Seat-1.54Mpa
5. Flange size as per JIS B2220-10K
6. BV, NK, GL, CCS, RINA, ABS, DNV, LR cerificates available.
7. Picture:





















































































































