Marine Cast Steel Flanged Shipboard Stop Check Valve GB/T1853-1994
[Search Related Products]
Marine Cast Steel Flanged Shipboard Stop Check Valve GB/T1853-1994:
1.Design standard:GB/T11698.
2.End standard:GB/T2501&GB/T569.
3.End type:Flange.
4.PN:0.6Mpa.
5.DN:40mm-350mm.
6.Main material:
- Body/Bonnet:ZG230-450;
- Seat:SS410/BC6;
- Stem:SS410/BS;
- Disc:SS410/BC6.
7.Application:Sea water piping.fresh water piping,oil piping and steam piping.
8.Function:Such valves are used for on-off duty and preventing refluence.
9.Fundamental dimensions of Marine Cast Steel Flanged Shipboard Stop Check Valve GB/T1853-1994:
Chart 1 Fundamental dimensions of type A and B:
|
DN/mm |
Structure dimension /mm |
Thick ness |
Flange connection |
Bolt |
Hand wheel |
Lift range |
Weight kg |
|||||||||||
|
Type A |
Type B |
|||||||||||||||||
|
H |
L |
H |
L |
L1 |
t |
D |
D1 |
D2 |
d0 |
b |
n |
Th. |
D0 |
S |
m |
Type A |
Type B |
|
|
40 |
300 |
200 |
326 |
90 |
90 |
6 |
125 |
93 |
74 |
15 |
13 |
6 |
N14 |
120 |
11 |
12 |
7.8 |
7.5 |
|
50 |
318 |
230 |
383 |
95 |
95 |
7 |
135 |
103 |
84 |
15 |
140 |
12 |
15 |
10.8 |
10.7 |
|||
|
65 |
348 |
290 |
430 |
115 |
115 |
155 |
123 |
104 |
15 |
14 |
140 |
12 |
19 |
16.3 |
15.9 |
|||
|
80 |
390 |
310 |
474 |
125 |
125 |
170 |
138 |
118 |
15 |
8 |
160 |
14 |
23 |
21.6 |
21.0 |
|||
|
100 |
414 |
350 |
498 |
150 |
135 |
8 |
190 |
158 |
138 |
15 |
180 |
14 |
28 |
29.7 |
27.6 |
|||
|
125 |
466 |
400 |
561 |
175 |
155 |
215 |
183 |
164 |
16 |
10 |
200 |
17 |
35 |
39.8 |
39.0 |
|||
|
150 |
528 |
480 |
616 |
180 |
160 |
240 |
208 |
190 |
16 |
12 |
200 |
17 |
42 |
54.8 |
49.2 |
|||
|
200 |
736 |
600 |
829 |
215 |
215 |
9 |
295 |
264 |
247 |
16 |
15 |
280 |
22 |
55 |
89.0 |
70.0 |
||
|
250 |
858 |
730 |
986 |
250 |
250 |
10 |
365 |
327 |
306 |
18 |
16 |
14 |
M16 |
320 |
27 |
65 |
139.4 |
117.5 |
|
300 |
1015 |
850 |
1160 |
300 |
300 |
12 |
430 |
386 |
360 |
22 |
19 |
M20 |
400 |
27 |
80 |
192.6 |
170.8 |
|
|
350 |
1065 |
980 |
1210 |
320 |
320 |
480 |
436 |
410 |
22 |
28 |
16 |
450 |
32 |
100 |
230.9 |
220.4 |
||
Chart 2 Fundamental dimensions of type AS and BS:
|
DN/mm |
Structure dimension/mm |
Thickness mm |
Flange connection/mm |
Bolt |
Hand wheel |
Lift range |
Weight kg |
|||||||||||
|
Type AS |
Type BS |
D |
D1 |
D2 |
d0 |
b |
||||||||||||
|
H |
L |
H |
L |
L1 |
t |
n |
Th. |
D0 |
S |
m |
Type AS |
Type BS |
||||||
|
40 |
300 |
200 |
326 |
115 |
115 |
6 |
130 |
100 |
80 |
14 |
16 |
4 |
M12 |
120 |
11 |
12 |
8.20 |
7.9 |
|
50 |
318 |
230 |
383 |
125 |
125 |
7 |
140 |
110 |
90 |
14 |
140 |
12 |
15 |
12.80 |
11.6 |
|||
|
65 |
348 |
290 |
430 |
145 |
145 |
7 |
160 |
130 |
110 |
14 |
140 |
19 |
19.50 |
18.6 |
||||
|
80 |
390 |
310 |
474 |
155 |
155 |
7 |
190 |
150 |
128 |
18 |
18 |
M16 |
160 |
14 |
23 |
24.90 |
23.8 |
|
|
100 |
414 |
350 |
498 |
175 |
175 |
8 |
210 |
170 |
148 |
18 |
180 |
28 |
32.65 |
30.7 |
||||
|
125 |
466 |
400 |
561 |
200 |
200 |
8 |
240 |
200 |
178 |
18 |
20 |
8 |
200 |
17 |
35 |
45.80 |
44.7 |
|
|
150 |
528 |
480 |
616 |
225 |
225 |
9 |
265 |
225 |
202 |
18 |
200 |
42 |
59.80 |
54.9 |
||||
|
200 |
736 |
600 |
829 |
275 |
275 |
10 |
320 |
280 |
258 |
18 |
22 |
280 |
24 |
55 |
97.10 |
78.3 |
||
|
250 |
858 |
730 |
986 |
325 |
325 |
11 |
375 |
335 |
316 |
18 |
24 |
12 |
320 |
27 |
65 |
148.40 |
126.6 |
|
|
300 |
1015 |
850 |
1160 |
375 |
375 |
12 |
440 |
395 |
365 |
22 |
M20 |
400 |
80 |
201.70 |
179.2 |
|||
|
350 |
1065 |
980 |
1210 |
425 |
425 |
12 |
490 |
445 |
415 |
22 |
450 |
32 |
100 |
239.90 |
229.6 |
|||
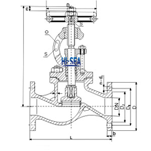
10.Drawing of Marine Cast Steel Flanged Shipboard Stop Check Valve GB/T1853-1994:
Type A/AS:
Type B/BS:
11. Marine Cast Steel Flanged Shipboard Stop Check Valve GB/T1853-1994 factory:



























































