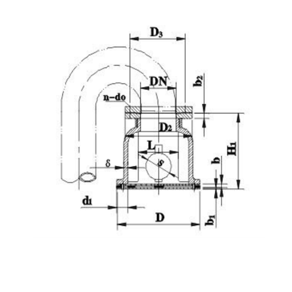
DN200 Marine Air Vant Head
[Search Related Products]
Air Vent Head
It is used for air piping system to balance the pressure and prevent from mosquitoes, honeybees, frame, rain, sea water. The features are less weight and better ventilation.
Specification

Drawing

















