Marine Oil Tank Breather Valve CB/T692-1994
[Search Related Products]
Marine Oil Tank Breather Valve CB/T692-1994:
1.Design standard:CB/T692-1994.
2.End standard:GB/T2501&GB/T569.
3.End type:Flange.
4.PN:
- Pressure valve:PN¡Ü0.021Mpa;
- Vacuum valve:PN£¼-0.007Mpa.
5.DN:80/100mm,100/150mm.
6.Main material:
- Body/Bonnet:HT200/ZG230-450;
- Seat:SS410/BC6;
- Stem:SS410/BRASS;
- Disc:SS410/BC6.
7.Application:Oil cabin ventilation pressured vacuum pipes.
8.Function:Such valves are used for pressure balance.
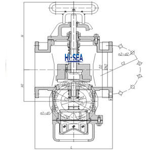
9.Fundamental dimensions of Marine Oil Tank Breather Valve CB/T692-1994:
Chart 1 Fundamental dimensions of type A:
|
DN mm |
Face to face |
Oil tank flange |
Outlet flange |
Weight/kg |
||||||||
|
L/mm |
L1/mm |
D1/mm |
C1/mm |
n1/mm |
d1/mm |
D2/mm |
C2/mm |
n2/mm |
d2/mm |
Iron |
Steel |
|
|
80/100 |
260 |
135 |
190 |
158 |
4 |
18 |
190 |
170 |
4 |
18 |
25.7 |
23.26 |
|
100/150 |
300 |
140 |
210 |
170 |
4 |
18 |
240 |
225 |
8 |
18 |
38.32 |
35.54 |
Chart 2 Fundamental dimensions of type AS:
|
DN mm |
Face to face |
Oil tank flange |
Outlet flange |
Weight/kg |
||||||||
|
L/mm |
L1/mm |
D1/mm |
C1/mm |
n1/mm |
d1/mm |
D2/mm |
C2/mm |
n2/mm |
d2/mm |
Iron |
Steel |
|
|
80/100 |
260 |
135 |
190 |
158 |
4 |
18 |
210 |
170 |
4 |
18 |
29.97 |
28.86 |
|
100/150 |
300 |
140 |
210 |
170 |
4 |
18 |
265 |
225 |
8 |
20 |
44.86 |
43.05 |
Chart 3 Fundamental dimensions of type B:
|
DN mm |
Face to face |
Oil tank flange |
Outlet flange |
Weight/kg |
||||||||
|
L/mm |
L1/mm |
D1/mm |
C1/mm |
n1/mm |
d1/mm |
D2/mm |
C2/mm |
n2/mm |
d2/mm |
Iron |
Steel |
|
|
80/100 |
380 |
220 |
170 |
138 |
8 |
15 |
190 |
158 |
8 |
15 |
25.7 |
50.1 |
|
100/150 |
500 |
304 |
190 |
158 |
8 |
15 |
240 |
208 |
12 |
15 |
38.32 |
81.96 |
Chart 4 Fundamental dimensions of type BS:
|
DN mm |
Face to face |
Oil tank flange |
Outlet flange |
Weight/kg |
||||||||
|
L/mm |
L1/mm |
D1/mm |
C1/mm |
n1/mm |
d1/mm |
D2/mm |
C2/mm |
n2/mm |
d2/mm |
Iron |
Steel |
|
|
80/100 |
380 |
220 |
190 |
158 |
4 |
18 |
210 |
170 |
4 |
18 |
58.28 |
28.86 |
|
100/150 |
500 |
304 |
210 |
170 |
4 |
18 |
265 |
225 |
8 |
20 |
93.92 |
43.05 |
10. Drawing of Marine Oil Tank Breather Valve CB/T692-1994:
Type A/AS:
Type B/BS:
11.Certificate available:















































