Marine Cast Steel Globe Valve JIS F7311 5K
[Search Related Products]
Marine Cast Steel Globe Valve JIS F7311 5K £º
1.Test standard:JISF7400.
2.End standard:JIB2220.
3.End type:Flange.
4.PN:5k.
5.DN:50mm-300mm.
6.Main material:
-
Body/Bonnet:SC230-450;
-
Seat:SS410/BC6;
-
Stem:SS410/H62;
-
Disc:SS410/BC6.
7.Application:Oil piping,water piping and steam piping.
8.Function:Such valves are used for on-off duty and regulating the flow rate.
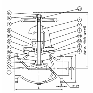
9.Specification of Marine Cast Steel Globe Valve JIS F7311 5K £º
| Size | L | Flange diam. (D) | Pitch (C) | Hole (nxd) | t | H | Weight |
| (mm) | (mm) | (mm) | (mm) | (mm) | (mm) | (mm) | (kgs) |
| 50 | 210 | 130 | 105 | 4x¦µ15 | 16 | 270 | 14.70 |
| 65 | 250 | 155 | 130 | 4x¦µ15 | 18 | 300 | 21.30 |
| 80 | 280 | 180 | 145 | 4x¦µ19 | 18 | 310 | 27.70 |
| 100 | 340 | 200 | 165 | 8x¦µ19 | 20 | 360 | 40.80 |
| 125 | 410 | 235 | 200 | 8x¦µ19 | 20 | 390 | 57.60 |
| 150 | 480 | 265 | 230 | 8x¦µ19 | 22 | 445 | 80.30 |
| 200 | 570 | 320 | 280 | 8x¦µ23 | 24 | 530 | 139.00 |
| 250 | 740 | 385 | 345 | 12x¦µ23 | 26 | 650 | 230.00 |
| 300 | 840 | 430 | 390 | 12x¦µ23 | 28 | 740 | 309.00 |
10.Drawing of Marine Cast Steel Globe Valve JIS F7311 5K :
11. Marine Cast Steel Globe Valve JIS F7311 5K factory£º





















































































































