Type-C Side Scuttle without Deadlight
[Search Related Products]
Type-C Side Scuttle without Deadlight
This product is a kind of side scuttle without deadlight; it can be made with copper, steel and aluminum. This side scuttle is used in the sides above bulkhead deck or free board deck of passenger ships, or the ends of superstructure; and it is also applied in both sides and ends of the first tier of superstructure on the freeboard deck of non-passenger ship. Approved by GB/T14413-1993, this side scuttle is certified by CCS, DNV, BV, LR, KR, and NK etc.
Combination of materials: ¡°(0)¡± stands for without deadlight
|
Type |
Install type |
Material |
Material Code |
||
|
Main frame |
Glass holder and fastener |
Deadlight |
|||
|
C |
Bolted type |
Steel(2) |
Steel(2) |
----(0) |
220 |
|
Aluminum(3) |
Aluminum(3) |
----(0) |
330 |
||
|
Copper(1) |
Copper(1) |
----(0) |
110 |
||
|
Welding type |
Steel(2) |
Copper(1) |
----(0) |
210 |
|
|
Steel(2) |
Steel(2) |
----(0) |
220 |
||
|
Steel(2) |
Aluminum(3) |
----(0) |
230 |
||
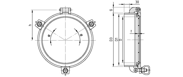
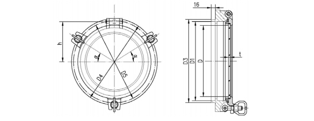
Drawing and specifications:
Drawing of Type-C Side Scuttle without Deadlight(C-LB/RB type)
Drawing of Type-C Side Scuttle without Deadlight(C-NB type)
Drawing of Type-C Side Scuttle without Deadlight(C-LW/RW type)
Drawing of Type-C Side Scuttle without Deadlight(C-NW type)
Product showing:
Aluminum Fixed Ship Porthole
Brass Round Ship Window
Ship Brass Porthole Window
Aluminum Alloy Porthole for Boat
Marine Porthole with Brass Frame














































