6T Compressed Air Hoist
[Search Related Products]
Compressed air hoist is the essential equipment for safe production, improving efficiency and reducing cost of factory. The main productions we can provide including pneumatic chain hoist, low headroom pneumatic hoist, mini pneumatic chain hoist and monorial pneumatic hoist.It can be widely used in petroleum, chemical, coal, textile, storage, production line of home appliances, automobile, shipping building and other industries.
Product Details:
1. Model: 6T pneumatic air chain hoist
2. Power source: Compressed air
3. Usage: Hoist
4. Working Pressure: 0.6 Mpa
5. Lifting Height: 3m
6. Motor Output Power: 3.5kw
7. Rated Load speed: 1.8m/min
8. Air Consumption: 5.5m³/min
9. No. of Chain: 2
10. Product Weight: 122kg
11. Packaging: Gunny bag or carton then on steel pallet
12. Special specification and marks can be made according to order quantity
Advantages:
1. Suitable for complex environment and dangerous situation.
2. Stepless speed regulation is available when lifting or lowering.
3. Small volume, light weight, easy maintenance, long service life.
4. High efficiency, easy to operate.
5. Overload protection to ensure safety.
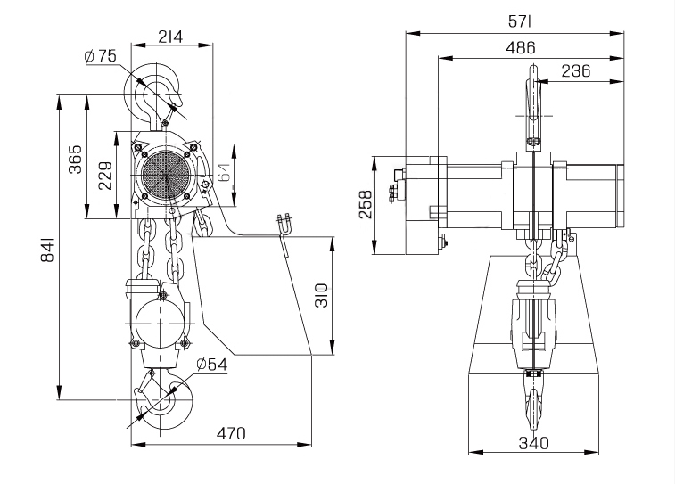
Sketch of 6T Compressed Air Hoist
Structure of 6T Compressed Air Hoist





























