2T Low Headroom Pneumatic Chain Hoist
[Search Related Products]
2T Low Headroom Pneumatic Chain Hoist
This kind of pneumatic chain hoist is suitable for limited low headroom area. A certain pressure of compressed air can drive it to work with low energy consumption and high efficiency. Stepless speed regulation is available when lifting or lowering. And the brake can directly control the power transmission part to make it lock automatically to prevent the object fall.
Product Details:
1. Model: 2T low headroom pneumatic hoist
2. Power source: Compressed air
3. Usage: Hoist
4. Working Pressure: 0.6 Mpa
5. Lifting Height: 3m
6. Motor Output Power: 1kw
7. Rated Load speed: 2m/min
8. Air Consumption: 1.5m³/min
9. Packaging: Gunny bag or carton then on steel pallet
10. Special specification and marks can be made according to order quantity
Specification:
|
Model |
Capacity |
No.of chain |
Lifting Speed |
Car running Speed |
Product weight |
|
t |
m/min |
m/min |
kg |
||
|
HS-2T |
2 |
2 |
2 |
9.5 |
41 |
|
HS-3T |
3 |
1 |
3.5 |
9.5 |
110 |
|
HS-6T |
6 |
2 |
1.8 |
6 |
122 |
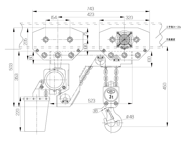
Sketch of 2T low headroom pneumatic chain hoist
3T Low Headroom Pneumatic Chain Hoist





























