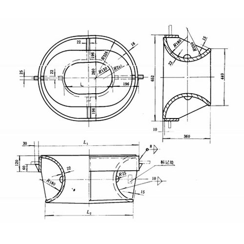
Panama Chock JIS F-2017 Type BP
[Search Related Products]
Panama Chocks
Panama chocks are very important mooring equipment. It bears tremendous loads when mooring the vessels. We provide deck mounted Panama chocks (JIS F 2017-1982 type AC,AP),bulwark mounted Panama chocks (JIS F 2017-1982 type BC,BP) and Type U.S. Panama chocks. If you¡¯re interested in our chocks, please feel free to contact us.
Specification :
Model Type: Panama Chock JIS F-2017 Type BP
Material: Cast Steel
Nominal Size:310mm,360mm
Weight: 184kg~193kg
Welded Position: Bulwark
Standard: JIS F 2017-1982
Certificate: CCS,DNV,ABS,BV,LR,RS,KR
Drawing of Panama Chock JIS F-2017 Type BP:
|
Size(mm) |
L1 |
L2 |
Weight(kg) |
|
310 |
702 |
620 |
184 |
|
360 |
752 |
670 |
193 |








































