JIS F2007 Bulwark Chock Type A
[Search Related Products]
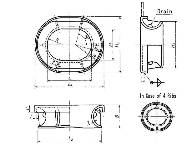
Can be called 'bulwark chock', is located in the bulwarks, with closed hole shaped fairlead limit position of the cable are derived. Its basic shape is circular, oval,
Do not know if you understand?
specific requirement summary explaining its technology introduction:
1: the mooring chock body material selection in accordance with GB 8162 204 seamless steel tube. Can also be specified in GB 712 A grade of steel plate is bend into.
2: Stainless steel clad plate selection in accordance with GB 4237 use 1Cr18Ni9Ti stainless steel plate .
3: the mooring chock body at intersecting line and the outer rim, welding surface clean and no crack, war page, skew, Cut straight to sharp edges.
4: mooring chock stainless steel clad plate shall be flat and body joint, the weld shall be no pores, cracks, burrs and lack of Depression.
5: mooring chock completion except stainless steel clad plate, should brush rustproof paint. After loading the goods on board according to the requirements of ship hull paint.
Jis F2007 Bulwark Chock (Type A)
Specifications of JIS D2007-1976 Type A
|
Type (mm) |
L |
L1 |
L2 |
H |
H1 |
H2 |
B |
C |
Weight (kg) |
Manila Rope (Dia.) |
Wire Rope (Dia.) |
|
150 |
150 |
300 |
270 |
110 |
260 |
202 |
129 |
40 |
15.1 |
40 |
16(6x12) |
|
200 |
200 |
368 |
334 |
150 |
318 |
250 |
143 |
42 |
20.5 |
45 |
18(6x12) |
|
250 |
250 |
430 |
394 |
200 |
380 |
308 |
155 |
44 |
26.9 |
50 |
20(6x12) |
|
300 |
300 |
500 |
460 |
250 |
450 |
372 |
169 |
52 |
42.7 |
60 |
22.4(6x12) |
|
350 |
350 |
560 |
518 |
250 |
460 |
378 |
179 |
55 |
50.8 |
70 |
24(6X24) |
|
400 |
400 |
632 |
586 |
250 |
482 |
394 |
195 |
60 |
76.3 |
80 |
26(6X24) |
|
450 |
450 |
700 |
650 |
250 |
500 |
406 |
209 |
62 |
102 |
85 |
30(6X24) |
|
500 |
500 |
760 |
708 |
250 |
510 |
412 |
219 |
65 |
115 |
90 |
35.5(6X24) |
Mooring Chocks








































