JIS F2005 Deck Type Closed Chock
[Search Related Products]
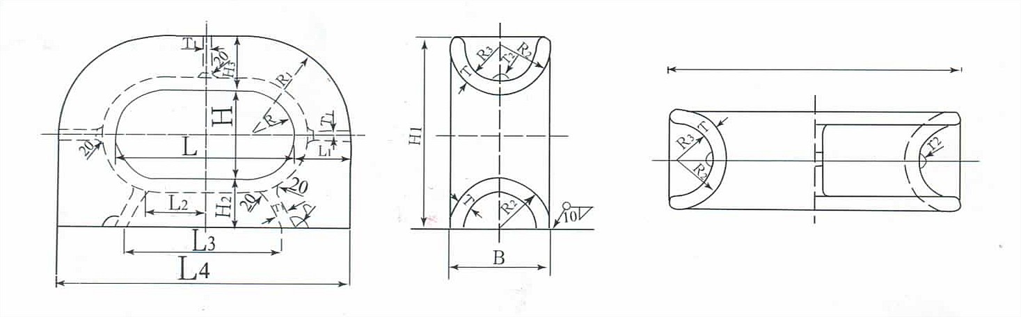
Jis F2005 Deck Type Closed Chock
|
Nominal Dia |
L |
L1 |
L2 |
B |
H |
H1 |
H2 |
H3 |
R |
R1 |
T |
(T1) |
(R2) |
(R3) |
Welding length |
Calculated Mass (KG) |
Dia of applicable Rope in reference |
||
|
Wire rope |
Hemp rope |
Fibre rope |
|||||||||||||||||
|
100 |
100 |
35 |
170 |
60 |
76 |
141 |
30 |
35 |
38 |
73 |
12 |
(10) |
(30) |
(18) |
7 |
3.7 |
14(6กม12) |
24 |
18 |
|
150 |
150 |
50 |
250 |
90 |
110 |
205 |
45 |
50 |
55 |
105 |
16 |
(12) |
(45) |
(29) |
8 |
10.5 |
16(6กม12) |
30 |
22 |
|
200 |
200 |
70 |
370 |
120 |
150 |
280 |
60 |
70 |
75 |
145 |
20 |
(16) |
(60) |
(40) |
9 |
24.0 |
18(6กม12) |
40 |
28 |
NOTE : 1. THE DIMENSION IN ( ) IS ONLY FOR REFERENCE .
2. FOR APPLICABLE ROPES ,REFERENCE IS MADE TO NO. 4(6กม24) OF JIS G 3525,FOR HEMP ROPE ,TO CLASS L ,GROUP 1 OF JIS L 2701.
3. SURFACE IN CANTACT WITH THE ROPE IN USE SHALL BE FINISHED SMOOTHLY .
Jis F2005 Deck Type Closed Chock
|
Nominal Dia (mm) |
L |
L1 |
L2 |
L3 |
L4 |
B |
H |
H1 |
H2 |
H3 |
R |
R1 |
R2 |
R3 |
r1 |
r2 |
T |
T1 |
Caloulated mass |
Dia. of applicable Rope in refernce |
SWL |
|
|
Wire rope |
Hemp rope |
|||||||||||||||||||||
|
250 |
250 |
92 |
100 |
250 |
434 |
160 |
200 |
372 |
80 |
92 |
100 |
192 |
80 |
56 |
20 |
15 |
24 |
20 |
48 |
20(6กม12) |
50 |
20T |
|
300 |
300 |
114 |
110 |
300 |
528 |
200 |
250 |
464 |
100 |
114 |
125 |
239 |
100 |
72 |
25 |
20 |
28 |
22 |
83 |
22.4(6กม12) |
60 |
28T |
|
350 |
350 |
125 |
125 |
350 |
600 |
220 |
250 |
485 |
110 |
125 |
125 |
250 |
110 |
80 |
30 |
20 |
30 |
22 |
103 |
24(6กม24) |
70 |
35T |
|
400 |
400 |
136 |
135 |
370 |
672 |
240 |
250 |
506 |
120 |
136 |
125 |
261 |
120 |
88 |
30 |
20 |
32 |
25 |
136 |
26(6กม24) |
80 |
40T |
|
450 |
450 |
148 |
150 |
400 |
746 |
260 |
250 |
528 |
130 |
148 |
125 |
273 |
130 |
94 |
30 |
20 |
36 |
28 |
184 |
30(6กม24) |
85 |
48T |
|
500 |
500 |
160 |
175 |
450 |
820 |
280 |
250 |
550 |
140 |
160 |
125 |
285 |
140 |
100 |
30 |
20 |
40 |
30 |
232 |
35.5(6กม24) |
90 |
60T |
Note :1.For applicable reference is made to No.4(6กม24) of JIS G 3525,for hemp rope ,to ,class 1,Group 1 of JIS L 2701.
2.Surface in contact with the rope in use shall be finished smoothly .
Closed Chock Deck Type








































