Jis F2017-AC Panama Chock
[Search Related Products]
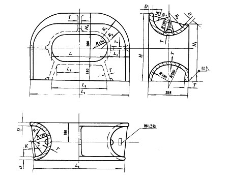
Technical information mooring chock
Can be called 'bulwark chock', is located in the bulwarks, with closed hole shaped fairlead limit position of the cable are derived. Its basic shape is circular, oval,
The mooring chock is a very important mooring equipment. In the process of mooring ship, it bears huge loads. Usually the ship bollards, mooring chock for the whole ship mooring use. The general bow and stern ofship blocks the bollard fairlead, quantity large. Of intermediate section above without or bollards, fairlead rarely.Fairlead is oblique chock more insurance, because it is closed, the cable will not jump out .
JIS F2017-AC Deck Type Panama Chock
Specifications
|
Nominal Size (mm) |
L |
L1 |
L2 |
L3 |
L4 |
L5 |
D |
H1 |
H2 |
H3 |
K |
T |
Weight (kg) |
SWL |
|
310 |
310 |
199 |
105 |
310 |
708 |
652 |
38 |
639 |
541 |
199 |
15 |
32 |
253 |
30T |
|
360 |
360 |
200 |
130 |
360 |
760 |
704 |
40 |
640 |
542 |
200 |
15 |
34 |
289 |
40T |
|
400 |
400 |
202 |
150 |
400 |
804 |
750 |
44 |
642 |
545 |
202 |
20 |
36 |
323 |
60T |
|
450 |
450 |
203 |
175 |
450 |
856 |
802 |
46 |
643 |
547 |
203 |
20 |
38 |
351 |
80T |
|
500 |
500 |
204 |
200 |
500 |
908 |
854 |
48 |
644 |
549 |
204 |
20 |
40 |
395 |
100T |
Panama Chock








































