Jis F2017-BC Panama Chock
[Search Related Products]
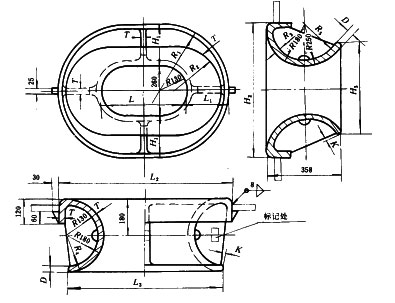
The mooring chock is a very important mooring equipment. In the process of mooring ship, it bears huge loads. Usually the ship bollards, mooring chock for the whole ship mooring use. The general bow and stern ofship blocks the bollard fairlead, quantity large. Of intermediate section above without or bollards, fairlead rarely.Fairlead is oblique chock more insurance, because it is closed, the cable will not jump out .
1: the mooring chock body material selection in accordance with GB 8162 204 seamless steel tube. Can also be specified in GB 712 A grade of steel plate is bend into.
2: Stainless steel clad plate selection in accordance with GB 4237 use 1Cr18Ni9Ti stainless steel plate .
3: the mooring chock body at intersecting line and the outer rim, welding surface clean and no crack, war page, skew, Cut straight to sharp edges.
4: mooring chock stainless steel clad plate shall be flat and body joint, the weld shall be no pores, cracks, burrs and lack of
Depression.
5: mooring chock completion except stainless steel clad plate, should brush rustproof paint. After loading the goods on board according to the requirements of ship hull paint.
Jis F2017-BC Bulwark Chock
Specifications
|
Nominal Size (mm) |
L |
L1 |
L2 |
L3 |
D |
H1 |
H2 |
H3 |
R1 |
R2 |
K |
T |
Weight (kg) |
SWL |
|
310 |
310 |
212 |
734 |
652 |
38 |
212 |
684 |
462 |
342 |
231 |
15 |
32 |
276 |
30T |
|
360 |
360 |
214 |
788 |
704 |
40 |
214 |
688 |
464 |
344 |
232 |
15 |
34 |
305 |
40T |
|
400 |
400 |
216 |
832 |
750 |
44 |
216 |
692 |
470 |
346 |
235 |
20 |
36 |
344 |
60T |
|
450 |
450 |
218 |
886 |
802 |
46 |
218 |
696 |
474 |
348 |
237 |
20 |
38 |
385 |
80T |
|
500 |
500 |
220 |
940 |
854 |
48 |
220 |
700 |
478 |
350 |
239 |
20 |
40 |
422 |
100T |
Marine Chock








































