Marine Socket,Socket with Switch
[Search Related Products]
Marine Socket,Socket with Switch are used for connecting cutting on or off the applicance circuit with AC or DC low-voltage. The temprerature rise of conductive part should don't exceed 40K.The metatl shell should have reliable earthing device.
Technical Parameter :
Material:synthestic resin
Protection class:IP56
Conform to JISF8832,8833standard
Specifications:
|
Type |
International code |
Voltage |
Current |
Cable outside diameter |
|
Z-1M |
792806 |
2P+E 250V |
20A |
¦Õ14-¦Õ16 |
Z-1M Drawing of Marine Socket
|
Type |
International code |
Voltage |
Current |
Cable outside diameter |
|
Z-2M |
792831 |
(2P+E)¡Á2 250V |
15A |
¦Õ14-¦Õ16 |
Z-2M Drawing of Marine Dual Waterproof Socket
|
Type |
International code |
Voltage |
Current |
Cable outside diameter |
|
Z-2MA |
792807 |
3P+E 250V |
15A |
¦Õ18-¦Õ20 |
Z-2MA Drawing of Marine Waterproof Socket
|
Type |
Voltage |
Current |
Cable outside diameter |
|
Z-M |
2P 24V |
10A |
¦Õ14-¦Õ16 |
Z-M Drawing of Marine Socket
|
Type |
International code |
Voltage |
Current |
Cable outside diameter |
|
CZXS |
792832 |
(2P+E)¡Á2 250V |
20A |
¦Õ14-¦Õ16 |
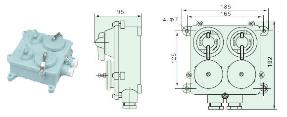
CZXS Drawing of Marine Waterproof Dual Socket Box with Switch
|
Type |
International code |
Voltage |
Current |
Cable outside diameter |
|
KZ-S2MR |
792808 |
2P+E 250V |
10A |
¦Õ14-¦Õ16 |
KZ-S2MR Drawing of Marine Waterproof Socket with Switch
Z-M Marine Socket \KZ-S2MR Marine Dual Waterproof Socket









































