IEC Marine Watertight Socket
[Search Related Products]
IEC Marine Watertight Socket
IEC Watertight Socket is designed to meet the IEC standards and the color-coding system.The configurations of socket are single-rated.It is used for ensuring the appropriate mating devices with the same voltage and amperage. So it couldn't connect a socket of different voltage and \or amperage ratings to avoid causing damage to the equipment or even personal injury.
Technical parameter:
1.Protection class:IP56
2.Adopted standard:DIN89270
3.Rating voltage:100-130V 200-250V 380-415V 440-460V
Specifications:
|
Type |
International code |
Voltage |
Current |
|
R12-2 |
792761 |
100-130V |
16A |
|
R12-2 |
792762 |
200-250V |
16A |
|
R12-3 |
792763 |
200-250V |
16A |
|
R12-3 |
792764 |
300-460V |
16A |

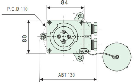
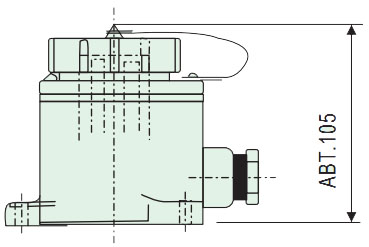
IEC Marine Watertight Socket Drawing

R12-3 IEC Marine Watertight Socket









































