JIS Type Single Eye Swivel
[Search Related Products]
JIS Type Single Eye Swivel
JIS type single eye swivel is made by high quality carbon steel with zinc plated on the surface. The small single eye make it more solid than other swivels. So, if a swivel is used in the place with more fixed structure, to be on the safe side, it is recommemded that the JIS type single eye swivel should be chosen.
Product details:
1. Item:JIS type single eye swivel
2. Type: JIS type
3. Material: carbon steel
4. Technology: drop forged
5. Surface: hot dip galvanized, zinc plated
6. WLL:1T-5T
7. Breaking load: 4 times of working load
8. Usage: lifting, rigging
9. Size: 13mm-22mm
10.Special specifications and marks can be made according to customers requirement
Specification£º
|
Size |
Weight |
WLL |
Dimention |
||||||
|
mm |
kg |
ton |
A mm |
B mm |
C mm |
D mm |
E mm |
G mm |
L mm |
|
13 |
0.5 |
1 |
60 |
35 |
36 |
17 |
41 |
48 |
100.5 |
|
16 |
0.94 |
1.5 |
72 |
43 |
40 |
23 |
55 |
60 |
128.5 |
|
19 |
1.46 |
2.5 |
83 |
45 |
45 |
26 |
64 |
66 |
146 |
|
22 |
2.21 |
5 |
93 |
53 |
49 |
29 |
73 |
75 |
170 |
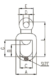
Sketch of the JIS type single eye swivel
JIS type single eye swivel



























































