JCZ(CZ) Marine Axial Flow Fan
[Search Related Products]
General
CZ series marine axial fans are capable of blowing air, ocean air containing salt vapor, and corrosive air which contains oil vapor and a small quantity of acid steam generated by the natural evaporation of the batteries.They are suitable for cabin air ventilation as well as boiler ventilation, they are also applicable for other suitable places.
The fan is designed and manufactured according to GB/T11864-1990 Marine Axial Fan and the current Ship Building Norms.
Features
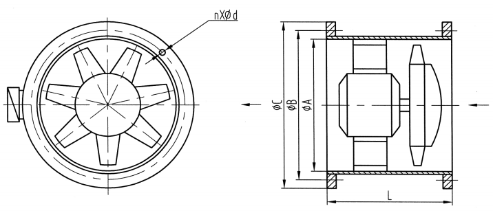
The housing is open type, reverse, anti-corrosive,anti-swing, vibration-proof and shock resistance.
Performance Parameter
From CZ-30 to CZ-40 for Reference
|
Model |
Flow rate m3/h |
Total pressure pa (mmH2O) |
Static pressure pa (m H2O) |
Speed r/min |
Model |
Model |
Weight kg |
|||||||
|
Hz Freq |
Power Kw |
model |
A |
B |
C |
L |
n |
d |
|
|||||
|
CZ-30A |
1000 1200 1500 1800 |
320 300 270 200 |
310 290 240 170 |
2920 |
50 |
0.75 |
Y801-2-H |
300 |
345 |
375 |
400 |
8 |
12 |
45 |
|
1200 1400 1800 2100 |
460 440 390 280 |
440 420 340 220 |
3500 |
60 |
||||||||||
|
CZ-30B |
900 1000 1100 1200 |
350 290 270 240 |
290 230 200 160 |
2920 |
50 |
|||||||||
|
1050 1200 1300 1400 |
500 420 380 340 |
420 340 290 230 |
3500 |
60 |
||||||||||
|
CZ-35A |
3000 3700 4500 5000 |
440 280 250 220 |
390 210 150 100 |
2920 |
50 |
1.1 |
Y802-2-H |
350 |
395 |
425 |
450 |
8 |
12 |
56 |
|
3600 4400 5400 6000 |
630 400 350 320 |
560 300 210 140 |
3500 |
60 |
1.5 |
Y-90S-2-H |
61 |
|||||||
|
CZ-35B |
1800 2400 3000 4000 |
410 360 260 220 |
360 310 200 70 |
2920 |
50 |
0.75 |
Y801-2-H |
55 |
||||||
|
2100 2800 3600 4800 |
590 520 380 370 |
520 450 290 260 |
3500 |
60 |
1.1 |
Y802-2-H |
56 |
|||||||
|
CZ-40A |
3500 4500 5000 6000 |
560 590- 560 500 |
510 520 460 390 |
2920 |
50 |
1.5 |
Y90S-2-H |
400 |
445 |
475 |
500 |
12 |
12 |
73 |
|
4200 5400 6000 7200 |
780 840 800 720 |
510 520 460 390 |
2920 |
50 |
1.5 |
Y90S-2-H |
76 |
|||||||
|
CZ-40B |
3000 4000 4500 5000 |
350 290 270 240 |
730 750 660 560 |
3500 |
60 |
2.2 |
Y90L-2-H |
68 |
||||||
|
3600 4800 5400 6000 |
750 620 560 440 |
700 530 480 300 |
3500 |
60 |
2.2 |
Y90L-2-H |
76 |
|||||||
Structure

The fan is manufactured with a built-in motor structure. The impeller is directly mounted on the motor shaft.The impeller is made of anti-corrosive aluminium alloy while the housing is welded by common steel. The housing can either be made into an integral one or an open type and the motor are fixed on the movable half of the housing so as to bring convenience for on site repair and the replacement of its spare parts.The fan can be matched with marine AC motor of 380v,415v,50Hz or 440v,460v,480v,60Hz.
Photo

Our Certification

































