CZF Marine Exhaust Blower-Axial Fan
[Search Related Products]
General
CZF series marine axial flow fans (the fan) are new-type and energy save, and low-noise fans. They are suitable for chamber ventilation and also applicable for other suitable places.
Features
CZF fans have compact structure, small size ,light weight , less power consumption, reverse, stable run, shock resistance and vibration resistance.
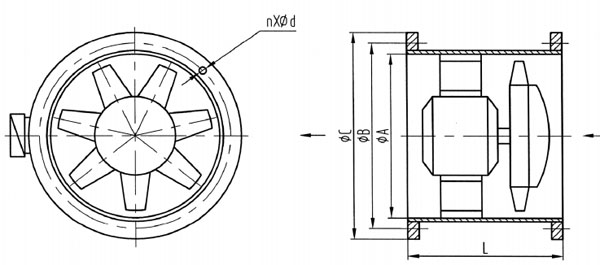
Model Explanation

Performance Parameter
(From CZF-30 to CZF-40 for Reference)
|
Model |
Flow rate m3/h |
Total pressure pa (mmH2O) |
Static pressure pa (m H2O) |
Speed r/min |
Model |
Model |
Weight kg |
||||||||
|
Hz Freq |
Power Kw |
model |
A |
B |
C |
L |
T |
n |
d |
||||||
|
CZF-30A |
960 1200 1500 1700 2000 |
330(33) 310(32) 270(28) 230(24) 180(19) |
320(33) 295(31) 250(26) 200(21) 140(15) |
2920 |
50 |
0.75 |
Y801-2-H |
300 |
345 |
375 |
400 |
8 |
8 |
12 |
50 |
|
1200 1500 2100 2400 |
490(50) 440(45) 380(39) 310(32) 240(25) |
470(48) 120(43) 350(36) 270(28) 180 (195) |
3500 |
60 |
0.75 |
Y801-2-H |
|||||||||
|
CZF-35A |
900 960 1080 1140 1200 |
160(17) 150(16) 130(14) 121(13) 110(12) |
150(16) 140(15) 125(13) 115(12) 105(11) |
1460 |
50 |
0.25 |
Y711-4-H |
350 |
395 |
425 |
450 |
8 |
8 |
12 |
60 |
|
900 1200 1500 1800 |
250(26) 210(22) 160(17) 120(13) |
240(25) 200(21) 150(16) 250(26) |
1750 |
60 |
0.25 |
Y711-4-H |
|||||||||
|
CZF-35B |
1500 1800 2100 2400 2700 |
480(49) 420(43) 390(40) 330(34) 290(30) |
470(48) 400(41) 370(38) 300(31) 250(26) |
2920 |
50 |
0.75 |
Y801-2-H |
70 |
|||||||
|
1800 2100 2400 3000 3600 |
700(71) 640(65) 590(60) 460(47) 320(33) |
680(69) 620(63) 560(57) 410(42) 250(26) |
3500 |
60 |
1.1 |
Y802-2-H |
|||||||||
|
CZF-40A |
2160 2400 2700 3000 |
180(19) 160(17) 150(16) 140(15) |
160(17) 145(15) 140(14) 110(12) |
1460 |
50 |
0.55 |
Y801-4-H |
400 |
445 |
475 |
500 |
8 |
12 |
12 |
65 |
|
2400 2700 3000 3300 3600 3900 |
270(28) 240(25) 230(24) 200(21) 180(19) 165(17) |
250(26) 220(23) 200(21) 170(18) 140(15) 120(13) |
1750 |
60 |
0.55 |
Y801-4-H |
|||||||||
Structure
The impeller is made of anticorrosive aluminium alloy, it is dynamically balanced to ensure the fan having reliable anticorrosive property and operating smoothly.
The fan casing is welded by steel plate with flanges for connection with duct at both sides by bolts. And the surface is fully treated by anticorrosive painting. As desired, the housing can either be made into an integral one or an open type, the impeller and the motor are fixed on the movable half of the housing so as to bring convenience for on the site repair and the replacement of its spare parts.
The fan is manufactured with a built-in motor structure. The impeller is directly mounted on the motor shaft.
Take a front view from the motor side, the impeller turns clockwise, it also can turn counter clockwise. In such case, fan capacity should be not less than 60 percent of normal rating.
The fan can be match with AC380V, 415V, 50HZ or 440V, 460V, 480V, 600HZ marine AC motor.
Photo
Our Certification
































