CBF Marine Explosion-proof Draught Fan
[Search Related Products]
Application:
Can be used in hazardous areas:Zone 1 and Zone 2
Can be used in explosive gas atmospheres of Category ¢òA,¢òB and ¢òC where the temperature classification is T1-T4
Features:
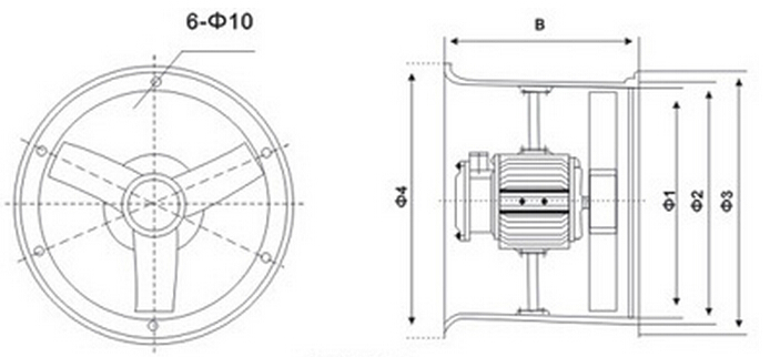
1. Explosion-proof ceiling fan consists of Ex-motor, blades and cyli-nder etc.
2. Air duct of explosion-proof axial flow fan is formed by welding of quality steel plate, and the fan blades are cast in aluminum alloy and with high voltage static plastic-sprayed surface.
3. According to users' request: installation ways are: wall type, pipe type. bracket type, fixed type.
4. Conduit wiring or cable wiring.
Model Explanation
Performance Parameter
|
Model No. |
Impeller dia(mm) |
Wind (m3/h) |
Power (W) |
Main-role rotary No. (r/min) |
|
CBF-300 |
300 |
2280 |
180 |
1450 |
|
CBF-400 |
400 |
2880 |
370 |
1450 |
|
CBF-500 |
500 |
5700 |
550 |
1450 |
|
CBF-600 |
600 |
8700 |
750 |
1450 |
Structure
Photo
Our Certifications
































