|
NO |
1 |
2 |
3 |
4 |
5 |
6 |
|
Component |
Body |
Filter Element |
Filter Net |
Filter Casing |
Gasket |
Bolt/Nut |
|
Material |
Stainless Steel |
304 316L |
304 316L |
304 316L |
NBR PTFE |
304 316L |
Standard Connection£ºHG¡¢GB¡¢ANSI¡¢JIS¡¢DIN¡¢ect.
Operating Pressure£º0.6Mpa¡ª¡ª1.6Mpa
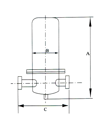
Dimension table£º
|
DN |
Filter Length¡ÁPiece |
B |
C |
E |
|
25 |
10'¡Á1 |
550 |
100 |
220 |
|
32 |
20'¡Á3 |
900 |
200 |
320 |
|
40 |
30'¡Á5 |
1150 |
220 |
350 |
|
50 |
40'¡Á9 |
1500 |
300 |
450 |
Order Construction£º
1.Please give indication of dimension£¬operating pressure¡£Filter element type£¬filter medium andpore size.
2.Please give clear indication of flange£¬material and operating if you need other standard.

















