Marine Draft Ladder
[Search Related Products]
Marine Draft Ladder
This product is a special ladder for reading ships¡¯ draft. With light weight and good strength, it is durable to use and easy to carry. It is made of aluminum and used for sea-going ships, warships and inland ship. This marine draft ladder meets the requirements of CBM2049-82 standard. Certificates about this draft ladder are CCS, BV, NK, LR, GL, ABS, DNV, KR, etc.
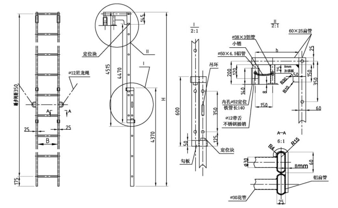
Drawing and specifications:
Drawing of Marine Draft Ladder
|
H |
B |
b |
|
8130 |
347 |
300 |
Identification example:
Draft ladder, H¡ÁB¡Áb is 8130¡Á347¡Á300----draft ladder 8130¡Á347¡Á300 CBM2049-82
Picture showing:
Marine Ladder for Draft Reading
Ship Draft Ladder
Certificates:









































