Rotary bell mouth outlet
[Search Related Products]Rotary bell mouth outlet
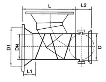
Drawing
Main Specification
|
Nom.dia.DN |
Section area m2 |
D |
D1 |
L |
L1 |
L2 |
Steel sheet (GZ) |
|
150 |
0.0176 |
154 |
192 |
272 |
58 |
110 |
3.045 |
|
200 |
0.0314 |
203 |
254 |
323 |
70 |
110 |
6.054 |
|
250 |
0.0492 |
253 |
316 |
376 |
83 |
150 |
8.498 |
|
300 |
0.0707 |
303 |
379 |
428 |
95 |
150 |
10.822 |
|
350 |
0.0960 |
352 |
440 |
481 |
110 |
200 |
17.470 |
|
400 |
0.1250 |
402 |
503 |
533 |
120 |
200 |
21.101 |
|
450 |
0.1589 |
456 |
570 |
590 |
134 |
200 |
25.994 |
Note: Adjusting plates matched according to customer requirements
Our company can offer ventilation grill A (GB/T 462-1996), ventilation grill B¡¢C¡¢D(CB/T 462-1996), ventilation grill E¡¢F(GB/T 462-1996), Round fixed air diffuser (CB 458-85) too.









































