Ball Air Vent Cap
[Search Related Products]
Introduction:
This product adopts aluminum plate spinning molding process, the overall strength is high, beautiful appearance, the surface can meet the decoration requirements for electrostatic spraying.
In addition, the product adopts spherical structure designed by aerodynamic principle, with low resistance, long range and low noise characteristics.
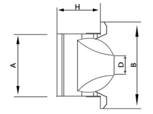
Outline Drawing:
Product Showing:









































