NCBH Marine Explosion-proof Fan Heater
[Search Related Products]
Operation and Maintenance:
1. The inspection and debugging of the fan box should be carried out by professionals. Non-professionals are not allowed to dismantle the machine to prevent damage.
Notice:
1. When the fan box is running, it is strictly prohibited to run in the opposite direction of the unit, and it is strictly prohibited to run over current and lack of phase.
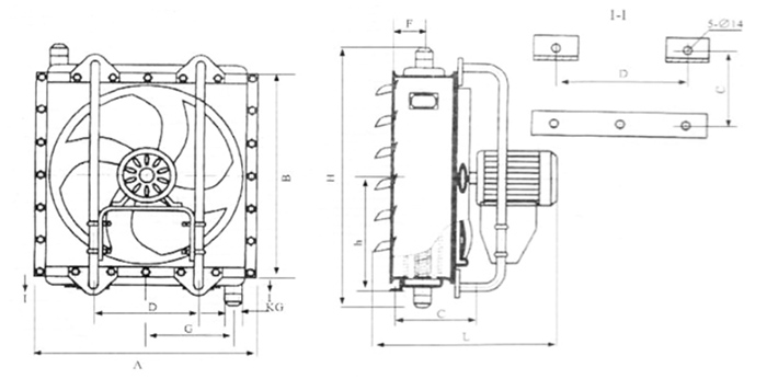
Outline Drawing:
Main Technical Parameters:
Assembly Size:
Product Showing:






















