Marine Explosion-proof Fan Heater
[Search Related Products]
Introduction:
Marine heater is designed and developed by our company according to the needs of ships, oil fields and other special places, suitable for ship cabins, oil drilling platforms, industrial places and so on. The product conforms to the explosion-proof mark EXD II CT4 Gb and below the explosive environment heating, drying.
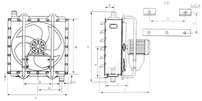
Drawing:
Product Showing:






















