CNF(Y) Marine Hot Oil Fan Heater
[Search Related Products]CNF(Y) Marine Hot Oil Fan Heater
Description
The CNF (Y) hot oil series heater consists of the heat sink coil, impeller, collecting ring, and motor. The heat-dissipating coil is made of stainless steel tube wrapped around stainless steel; the heating medium is generally 0.8~1.5MPa hot oil, the impeller is made of LF3 anti-rust aluminum, and the casing is welded by ordinary steel plate or stainless steel plate.
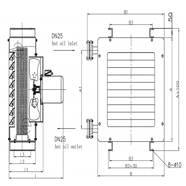
Drawing

Specification
|
Model |
Heating CapacityٍKW٩ |
Flow rate m3/h |
Motor |
Dimensions |
Weight KG |
|||||||||
|
Power KW |
Model |
A |
A1 |
B |
B1 |
B2 |
L |
L1 |
L2 |
L3 |
||||
|
CNF(Y)-10 |
10 |
1400 |
0.25 |
Y711-4-H |
490 |
340 |
500 |
600 |
430 |
560 |
380 |
300 |
220 |
67 |
|
CNF(Y)-18 |
18 |
1700 |
0.25 |
Y711-4-H |
530 |
380 |
550 |
650 |
430 |
560 |
380 |
300 |
220 |
78 |
|
CNF(Y)-25 |
25 |
3000 |
0.37 |
Y712-4-H |
570 |
460 |
600 |
700 |
450 |
560 |
380 |
300 |
220 |
85 |
|
CNF(Y)-40 |
40 |
4000 |
0.55 |
Y801-4-H |
710 |
540 |
600 |
750 |
450 |
600 |
380 |
300 |
220 |
91 |
|
CNF(Y)-50 |
50 |
5000 |
0.75 |
Y802-4-H |
750 |
580 |
725 |
825 |
550 |
600 |
380 |
300 |
220 |
109 |






















