CNF(R) Marine Hot Water Heating Fan Heater
[Search Related Products]CNF(R) Marine Hot Water Heating Fan Heater
Description
The marine hot water heating heater is mainly used when the ship is parked and the ambient temperature is close to zero. In order to ensure the cabin temperature required for the corresponding cabin of the ship, in order to facilitate the timely and rapid start of the cabin equipment, the ship heater is a ship important essential equipment .
Structure
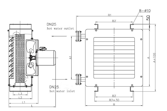
The CNF(R) hot water series heater consists of a heat dissipation coil, an impeller, a collecting ring, and a motor. The heat-dissipating coil is made of a copper tube copper sleeve (a mechanical winding method can also be used on the heat-dissipating tube as needed), and the heating medium is generally 60-90¡ãC hot water. The impeller adopts LF3 anti-rust aluminum, and the shell is welded by ordinary steel plate or stainless steel.
Features
1. Small size
2. Light weight
3. Excellent corrosion resistance
4. Low noise
5. Anti-sway
6. Strong impact
Drawing

Specification
|
Model |
Heating capacity £¨KW£© |
Flow Rate m3/h |
Motor |
Dimensions |
Weight kg |
||||||||
|
Power KW |
Model |
A |
A1 |
B |
B1 |
B2 |
L |
L1 |
L2 |
||||
|
CNF(R)-18 |
10 |
1300 |
0.25 |
Y711-4-H |
450 |
370 |
520 |
620 |
360 |
500 |
330 |
250 |
48 |
|
CNF(R)-25 |
25 |
2000 |
0.25 |
Y711-4-H |
570 |
600 |
600 |
700 |
450 |
500 |
380 |
300 |
62 |
|
CNF(R)-35 |
35 |
3000 |
0.35 |
Y712-4-H |
610 |
650 |
650 |
750 |
450 |
500 |
380 |
300 |
82 |
|
CNF(R)-45 |
45 |
5000 |
0.75 |
Y802-4-H |
680 |
730 |
730 |
830 |
500 |
600 |
380 |
300 |
98 |






















