End Joining Shackle Type D
[Search Related Products]
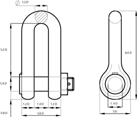
End Joining Shackle Type D
End joining shackle type D is used for the connection of anchor chain links. It joins the anchor and the anchor chain for mooring. Like most of the shackles, end joining shackles are also made by drop forged treatment.
If you have special requirements about the product, we can do as what you require.
For more information, please do not hesitate to contact us. WeˇŻll give you a quick and satisfactory reply.
Specification
1. Model Type: End Joining Shackle Type D
2. Material: Steel
3. Treatment: Drop Forged
4. Grade 2,Grade 3
5. Surface Treatment: Hot Dip Galvanized/ Electrogalvanized
6. Certificate: ABS, CCS, BV, DNV, GL, RINA, NK, KR etc.
7. Customized Service for the Products is Available
8. Strict Quality Control
9. Competitive Price
10. One-Stop Service
Drawing of End Joining Shackle Type D


























