C Shaped Connecting Shackle
[Search Related Products]
C Shaped Connecting Shackle
C shaped connecting shackle is one type of kenter shackle. It is a detachable chain connecting link. C shaped connecting shackle is simple to operate. It connects the common links.
We supply all types of anchor shackles or other anchor chain accessories. If you want to know more information, please feel free to contact us.We¡¯ll reply you in a short time.
Specification
1. Model Type: C Shaped Connecting Shackle
2. Grade: U1,U2,U3/R3,R4
3. Material: Steel
4. Treatment: Drop Forged, Cast
5. Surface: Hot Dip Galvanized, Electrogalvanized
6. Color: Up to Customer¡¯s Choice
7. Different Sizes for Choosing
8. Certificate: ABS, CCS, BV,GL,RINA, LR etc.
9. Produce Customized Products according to Customer¡¯s Requirement
10. High Quality, Competitive Price& Excellent One-Stop Service
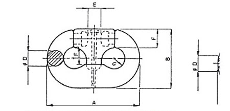
Drawing of C Shaped Connecting Shackle
|
Chain Size(mm) |
A |
B |
C |
D |
E |
F |
G |
Weight(kg) |
Proof Test(kg) |
Break Test(kg) |
|
24-25 |
152 |
102 |
35 |
25 |
29 |
31 |
17 |
2.3 |
38000 |
54300 |
|
27-29 |
172 |
114 |
40 |
29 |
32 |
35 |
19 |
3.3 |
49200 |
70400 |
|
30-32 |
191 |
127 |
44 |
32 |
36 |
39 |
21 |
4.6 |
59500 |
84900 |
|
33-35 |
210 |
140 |
48 |
35 |
40 |
43 |
23 |
6.2 |
70700 |
101300 |
|
36-38 |
229 |
152 |
53 |
38 |
43 |
47 |
26 |
7.9 |
83300 |
118900 |
|
40-42 |
248 |
165 |
57 |
42 |
47 |
50 |
28 |
10.0 |
102000 |
143400 |
|
43-44 |
267 |
178 |
62 |
45 |
50 |
56 |
30 |
12.5 |
111900 |
159900 |
|
46-48 |
286 |
191 |
64 |
48 |
55 |
60 |
32 |
14.5 |
13000 |
185100 |
|
50-51 |
305 |
197 |
64 |
51 |
59 |
64 |
34 |
16.3 |
145400 |
207700 |
|
52-54 |
324 |
209 |
67 |
54 |
63 |
68 |
36 |
20.0 |
162000 |
231500 |
|
56-58 |
343 |
222 |
71 |
58 |
66 |
71 |
38 |
23.6 |
185400 |
265000 |
|
59-60 |
364 |
235 |
78 |
61 |
70 |
76 |
41 |
28.0 |
199600 |
285200 |
|
62-64 |
381 |
246 |
79 |
64 |
74 |
79 |
43 |
32.2 |
223000 |
319000 |
|
66-67 |
400 |
259 |
83 |
67 |
77 |
83 |
45 |
37.0 |
242900 |
347000 |
|
68-70 |
419 |
271 |
87 |
70 |
81 |
87 |
47 |
45.0 |
263500 |
376400 |
|
71-73 |
438 |
283 |
91 |
73 |
85 |
91 |
49 |
49.0 |
285000 |
407000 |
|
75-76 |
457 |
296 |
95 |
76 |
88 |
95 |
51 |
55.0 |
308200 |
440200 |
|
78-79 |
476 |
308 |
99 |
79 |
92 |
99 |
53 |
63.0 |
332100 |
474500 |
|
81-83 |
495 |
320 |
103 |
83 |
96 |
103 |
55 |
73.0 |
360400 |
514800 |
|
84-86 |
514 |
333 |
107 |
86 |
99 |
107 |
57 |
80.0 |
384400 |
549100 |
|
87-89 |
533 |
345 |
111 |
89 |
103 |
111 |
60 |
93.0 |
409000 |
584300 |
|
90-92 |
553 |
357 |
115 |
92 |
107 |
115 |
62 |
97.6 |
434800 |
621200 |
|
94-95 |
572 |
370 |
119 |
95 |
111 |
119 |
64 |
116.2 |
462300 |
660100 |
|
97-98 |
591 |
382 |
128 |
98 |
114 |
123 |
66 |
123.0 |
49000 |
700000 |
|
100-102 |
610 |
394 |
132 |
102 |
127 |
132 |
70 |
175.0 |
550000 |
785000 |
|
105 |
629 |
419 |
147 |
105 |
127 |
132 |
70 |
175.0 |
550000 |
785000 |
|
111 |
667 |
456 |
167 |
111 |
138 |
140 |
75 |
208.0 |
607000 |
867200 |
|
114 |
686 |
480 |
190 |
114 |
147 |
144 |
77 |
227.0 |
637300 |
910900 |


























