Anchor Chain End Shackle
[Search Related Products]
Anchor Chain End Shackle
Anchor Shackle A.S, also called End Shackle E.S, is a U-shaped piece of metal secured with a clevis pin or bolt across the opening. End shackle is used to join anchor chain and anchor or the fixing eye plate in the chain locker. It is made by drop forged and hot dip galvanized.
We supply various marine shackles with different sizes and weight. For more detail information, please feel free to contact us.
Specification:
Model Type: End Shackle = E.S
Application: Used in Marine Industry
Grade Classification: Grade 2 or Grade 3
Material: Forged Steel
Nominal Diameter: 14mm to 162mm
Proof Load: 82KN to 7990KN
Breaking Load: 116KN to 11180KN
Surface Treatment: Drop Forged, Electrogalvanized /Hot-dip Galvanized
Certificate: CCS, BV, LR,NK,DNV,GL,RINA,KR etc.
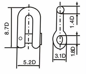
Drawing of Anchor Chain End Shackle
End Shackle Grade 2
|
Diameter(mm) |
Length(mm) |
Width(mm) |
Proof Load(KN) |
Breaking Load(KN) |
|
14 |
122 |
73 |
82 |
116 |
|
16 |
139 |
83 |
107 |
150 |
|
17.5 |
152 |
91 |
127 |
179 |
|
19 |
165 |
99 |
150 |
211 |
|
20.5 |
178 |
107 |
175 |
244 |
|
22 |
191 |
114 |
200 |
280 |
|
24 |
209 |
125 |
237 |
332 |
|
26 |
226 |
135 |
278 |
389 |
|
28 |
244 |
146 |
321 |
449 |
|
30 |
261 |
156 |
368 |
514 |
|
34 |
296 |
176 |
468 |
655 |
|
36 |
313 |
187 |
523 |
732 |
|
38 |
331 |
198 |
581 |
812 |
|
40 |
348 |
208 |
640 |
896 |
|
42 |
365 |
218 |
703 |
981 |
|
44 |
383 |
229 |
769 |
1080 |
|
46 |
400 |
239 |
837 |
1170 |
|
48 |
418 |
250 |
908 |
1270 |
|
50 |
435 |
260 |
981 |
1370 |
|
52 |
452 |
270 |
1060 |
1480 |
|
54 |
470 |
270 |
1140 |
1590 |
|
56 |
487 |
291 |
1220 |
1710 |
|
58 |
505 |
302 |
1290 |
1810 |
|
60 |
539 |
312 |
1380 |
1940 |
|
62 |
539 |
322 |
1470 |
2060 |
|
64 |
557 |
333 |
1560 |
2190 |
|
66 |
574 |
343 |
1660 |
2310 |
|
68 |
592 |
354 |
1750 |
2450 |
|
70 |
609 |
364 |
1840 |
2580 |
|
73 |
635 |
380 |
1990 |
2790 |
|
76 |
661 |
395 |
2150 |
3010 |
|
78 |
678 |
406 |
2260 |
3160 |
|
81 |
705 |
421 |
2410 |
3380 |
|
84 |
731 |
437 |
2580 |
3610 |
|
87 |
757 |
452 |
2750 |
3850 |
|
90 |
783 |
468 |
2920 |
4090 |
|
92 |
800 |
478 |
3040 |
4260 |
|
95 |
827 |
494 |
3230 |
4510 |
|
97 |
844 |
504 |
3340 |
4680 |
|
100 |
870 |
520 |
3530 |
4940 |
|
102 |
887 |
530 |
3660 |
5120 |
|
105 |
914 |
546 |
3850 |
5390 |
|
107 |
931 |
556 |
3980 |
5570 |
|
111 |
966 |
577 |
4250 |
5940 |
|
114 |
992 |
593 |
4440 |
6230 |
|
117 |
1018 |
608 |
4650 |
6510 |
|
120 |
1044 |
624 |
4850 |
6810 |
|
122 |
1061 |
634 |
5000 |
7000 |
|
124 |
1079 |
645 |
5140 |
7200 |
|
127 |
1105 |
660 |
5350 |
7490 |
|
130 |
1131 |
676 |
5570 |
7800 |
|
132 |
1148 |
686 |
5720 |
8000 |
|
137 |
1192 |
712 |
6080 |
8510 |
|
142 |
1235 |
738 |
6450 |
9030 |
|
147 |
1279 |
764 |
6840 |
9560 |
|
152 |
1322 |
790 |
7220 |
10100 |
|
157 |
1366 |
816 |
7600 |
10640 |
|
162 |
1409 |
842 |
7990 |
11180 |
Anchor Shackle Type D


























