Screw Type Anchor Releaser CB289-81
[Search Related Products]
Screw Type Anchor Releaser CB*289-81
CB*289-91 screw type anchor releaser is commonly applicable to various ships. It is installed on the anchor chains storage bulkhead and used for fixing the end link of anchor chain. CB*289-91 anchor releaser can be controlled at a far distance. It is made of high grade steel. For more information, please feel free to contact us.
Features of CB*289-81 Anchor Releaser:
1. Screw Type Anchor Chain Releaser
2. Standard: CB*289-91;
3. Nominal Chain Diameter: 25mm to 122mm;
4. Material: High Grade Steel;
5. Flexible Rotation, Watertight Anchor Releaser
6. Safe and Reliable Operation, Remote Control
7. Certificate: CCS, ABS, BV, LR, DNV etc.
8. Can be customized
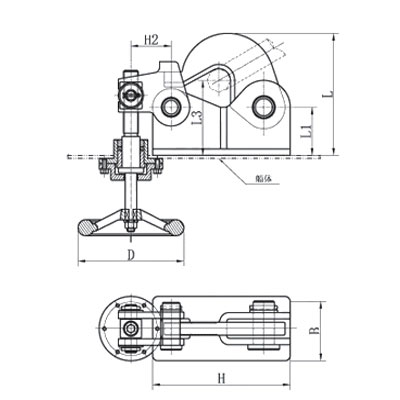
Drawing of Screw Type Anchor Releaser CB289-81
|
Anchor Chain Diameter(mm) |
B |
D |
L |
L1 |
L3 |
H |
H2 |
Weight(kg) |
|
25~34 |
120 |
200 |
228 |
90 |
140 |
260 |
80 |
20 |
|
37~43 |
140 |
250 |
243 |
90 |
145 |
300 |
96 |
36 |
|
46~53 |
180 |
320 |
327 |
125 |
197 |
380 |
120 |
78 |
|
57~67 |
220 |
400 |
390 |
140 |
225 |
480 |
140 |
104 |
|
72~82 |
235 |
400 |
425 |
150 |
250 |
510 |
148 |
149 |
|
87~102 |
250 |
400 |
457 |
160 |
272 |
560 |
150 |
183 |
|
107~122 |
270 |
400 |
485 |
175 |
285 |
630 |
170 |
|
















